hatte mir vorhin den Thread der Eigenbau Trommelsäge durchgelesen und bin dadurch auf die GROWI Hochleistungssäge gestoßen.
Würde so eine Säge gern selbst bauen, allerdings wollte ich gerade erstmal grob zusammen rechnen was für Kosten auf uns zukommen und ob sich dies somit für uns Lohnt (eine Säge muss dieses, uups eher nächstes Jahr sowieso angeschafft werden
Also vom "Stählernen" Aspekt her gibt es eigentlich keine Probleme ( > auch wenn wir nicht so Künstler sind wie manch andere hier, dafür meinen RESPEKT)
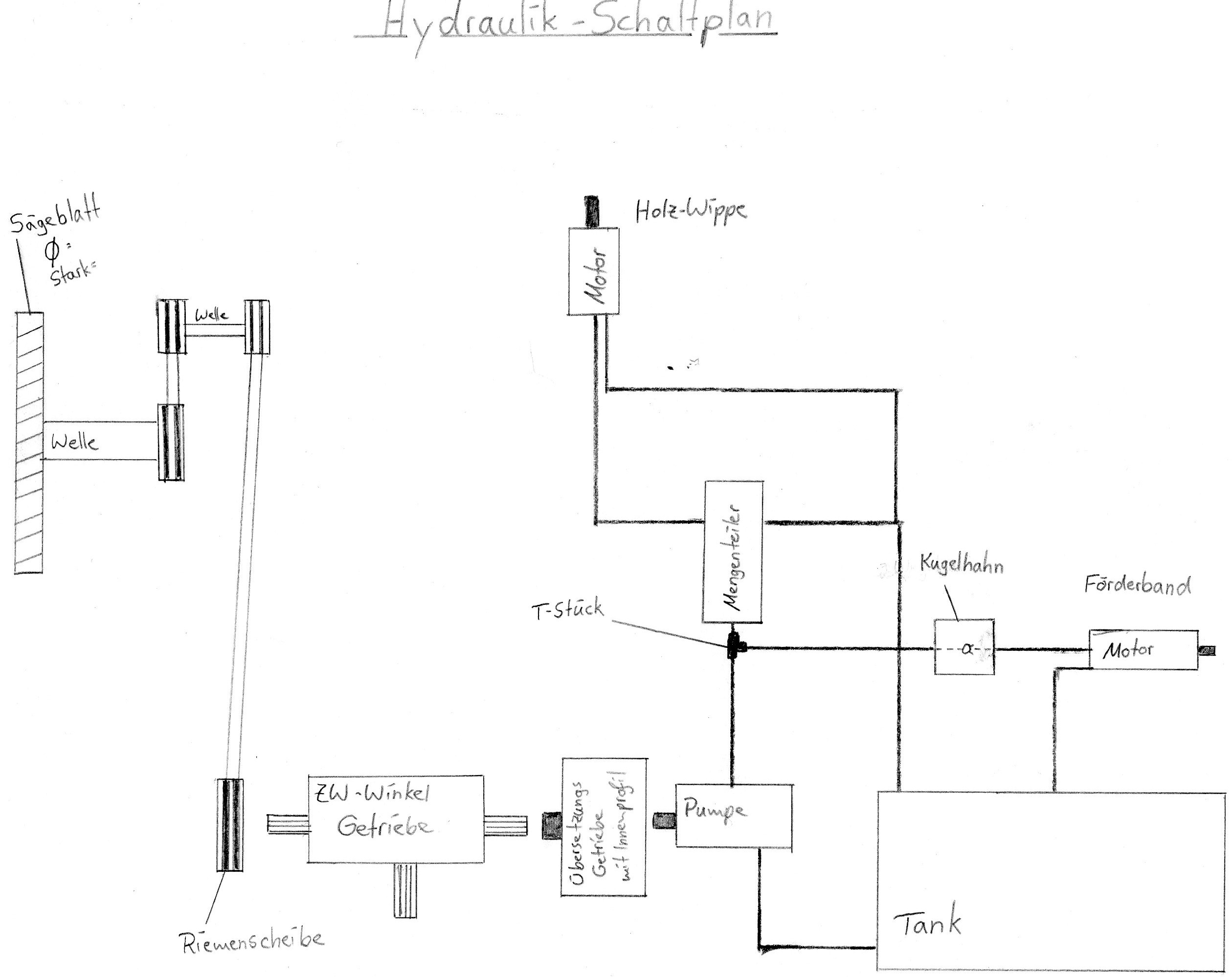
Also die Säge soll hinter den Schlepper als 3Punkt anbau, da wir sowieso nur Meterstücke schneiden muss das nicht so ein Klotz wie im Video werden. (Hab das schon mal Grob aufgemalt) http://www.youtube.com/watch?feature=player_embedded&v=U0ba-yqjVRE
Nun zu meinem Problem:
Ich hätte wenn schon denn schon, den gesamten Antrieb über eine Zapfwellenpumpe Abgedeckt, das heißt: Antrieb des Sägeblattes, Antrieb des "Exzenters"? und später auch ein Förderband-Antrieb.
So nun habe ich aber überhaupt keine Ahnung wie ich auf meine Richtwerte wie: Durchflussmenge, Literleistung, Schluckvolumen für die 3 Hydraulikmotoren und meiner ZW-Pumpe kommen soll, desweiteren muss ja ein passender Tank und ein-zwei Stromregelventile verbaut werden.
Habe mit Hydraulik aber leider nicht viel zu tun und schon gar nicht Konstruktionstechnisch aber mit nem Denkanstoß eurerseits, wenn mein Vorhaben so überhaupt machbar ist, kann ich bestimmt eine ganze Menge anfangen
Vielleicht interessiert sich ja der ein oder andere für unser Vorhaben und baut sich auch eine
Jetzt erstmal

