Hallo.
Ich habe seit neuem folgendes Problem.
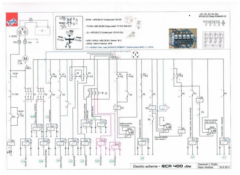
Es hat erst langsam angefangen das die Kette die ganze Zeit langsam mitgelaufen ist aber nach ner Stunde ist sie dann auf Vollgas mitgelaufen ohne das ich was mache.
Auch wenn ich Notaus betätige und die Klappe vom spaltkanal aufmache läuft sie einfach weiter.
Weiß einer was das sein kann?
