Maschinenring Shop

  • Foren-Übersicht
  • Galerie
  • Chat
    Erweiterte Suche
  • Ändere Schriftgröße
  • Druckansicht
  • FAQ •
  • Datenschutzerklärung •
  • Nutzungsbedingungen • Registrieren • Login
Auto-Login

Aktuelle Zeit: Mi Okt 08, 2025 20:14

Accord Fahrgassenschaltung FGS defekt

Hier findet man Hilfe in Sachen Landtechnik.
Antwort erstellen
27 Beiträge • Seite 1 von 2 • 1, 2
  • Mit Zitat antworten

Accord Fahrgassenschaltung FGS defekt

Beitragvon wauzzz » Do Jun 11, 2015 20:50

P1010379.JPG
P1010379.JPG (147.5 KiB) 8233-mal betrachtet
Guten abend in die Runde.

Habe an meiner Drillmaschine folgendes Problem. Die Fahrgassenschaltung unserer Accord lässt sich durch Knopfdruck nicht weiterschalten. Kennt jemand das Problem?
Es liegt kein Fehler am Taster (großer schwarzer Knopf) selbst vor, den konnte ich zum Testen überbrücken (die Steuerung funktioniert trotzdem nicht).
Gibt es klassische Fehler an diesem Gerät?

Vielleicht habt Ihr ja ne Adresse, an die man das Teil schicken kann, (Neu ist es ja recht teuer..ca. 300€)

Grüße, Sven/wauzzz

In den Bildern im Anhang sind die alte Steuerung (links mit 8Teilbreiten=24m und rechts mit 9Teilbreiten=27m). Die neue/ rechte Steuerung funktioniert nicht.
wauzzz
 
Beiträge: 137
Registriert: Fr Aug 06, 2010 19:42
Wohnort: Südniedersachsen
Nach oben

  • Mit Zitat antworten

Re: Accord Fahrgassenschaltung FGS defekt

Beitragvon countryman » Do Jun 11, 2015 22:43

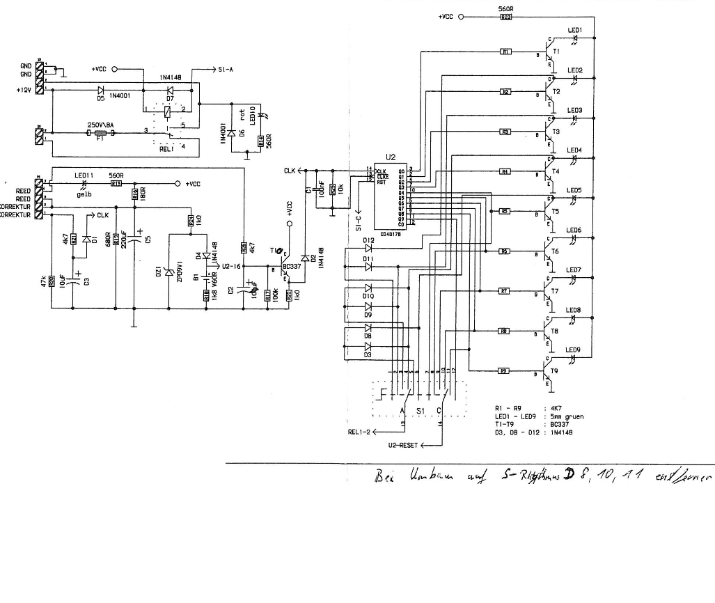
das Ding ist klassisch aufgebaut und jeder Radio- und Fernsehtechniker sollte damit umgehen können. Nur, wo gibts noch Leute die in echt Leiterplatten reparieren...
Falls du so jemanden kennst, wäre hier der Schaltplan!
Bild

Ich habe auch Schwierigkeiten mit der Schaltung. Meine schaltet manchmal unmotiviert weiter von 6 auf 7...
Meiner Meinung nach tritt aus dem NC-Akku der zur Speicherhaltung auf der Platine ist nach einiger Zeit Säure aus die die Leiterbahnen anfrisst bzw. Kurzschlüsse hervorruft.
Zuletzt geändert von countryman am Di Okt 22, 2019 18:29, insgesamt 2-mal geändert.
Benutzeravatar
countryman
 
Beiträge: 15031
Registriert: Sa Nov 26, 2005 15:05
Wohnort: Westfalen
Nach oben

  • Mit Zitat antworten

Re: Accord Fahrgassenschaltung FGS defekt

Beitragvon ropa_eurotiger » Do Jun 11, 2015 23:32

Wauzzzzzzz,

hast Du schon probiert, das Steuergerät, mit dem die FG geschaltet wird, auf "AB" bzw. Schwimmstellung zu stellen und dann den Knopf zum FG-Rythmus weiter schalten drücken?
Meine, dass bei meiner Ex-Accord es nur so möglich war. Schaltkasten natürlich mit Drille verbunden.
MfG ropa_eurotiger

Keiner stirbt als Jungfrau, denn das Leben fickt jeden !!!

Manche haben einen Horizont mit dem Radius r=0 und das nennen sie dann ihren Standpunkt !
[17:59:03] ladyesprit: das ist hier keine vagina
Benutzeravatar
ropa_eurotiger
 
Beiträge: 979
Registriert: Do Nov 30, 2006 18:37
Wohnort: nördliches Oberbayern
Nach oben

  • Mit Zitat antworten

Re: Accord Fahrgassenschaltung FGS defekt

Beitragvon Cowrider » Fr Jun 12, 2015 5:08

Ist bei meiner auch so man kann nur weiterschalten wenn ein Spuranreisser drunten ist.... wenn du jetzt die Drillmaschine abgestellt hast und zur letzten fahrt die Spuranreisser hochgemacht hast dann kannst nicht schalten...
Gruss
Cowrider
Cowrider
 
Beiträge: 1248
Registriert: Fr Feb 27, 2009 21:29
Wohnort: Oberbayern
Nach oben

  • Mit Zitat antworten

Re: Accord Fahrgassenschaltung FGS defekt

Beitragvon wauzzz » Fr Jun 12, 2015 14:59

Danke für die Info...ich werds dann mal testen...
Gruß, Sven
wauzzz
 
Beiträge: 137
Registriert: Fr Aug 06, 2010 19:42
Wohnort: Südniedersachsen
Nach oben

  • Mit Zitat antworten

Re: Accord Fahrgassenschaltung FGS defekt

Beitragvon wauzzz » Di Sep 01, 2015 18:51

Guten Abend in die Runde, es gibt frohe Kunde!
Die Steuereinheit wurde repariert, für ca. 15€ Material.
Vielen Dank an countryman für den Schaltplan, ohne den wäre eine Reparatur nicht möglich gewesen.

Schönen Abend noch, wauzzz/Sven
wauzzz
 
Beiträge: 137
Registriert: Fr Aug 06, 2010 19:42
Wohnort: Südniedersachsen
Nach oben

  • Mit Zitat antworten

Re: Accord Fahrgassenschaltung FGS defekt

Beitragvon wauzzz » Di Aug 09, 2016 10:17

Kann jemand den Schaltplan nochmal online stellen? Ich bin angemailt worden, bei dem ein ähnliches Problem besteht. Vielleicht hilft der Schaltplan.
Bei meiner FGS war das Netzteil defekt.

Gruß und Danke, Sven/wauzzz
wauzzz
 
Beiträge: 137
Registriert: Fr Aug 06, 2010 19:42
Wohnort: Südniedersachsen
Nach oben

  • Mit Zitat antworten

Re: Accord Fahrgassenschaltung FGS defekt

Beitragvon countryman » Di Aug 09, 2016 11:46

Ich habe den Plan als pdf, online stellen/Datei hochladen funktioniert hier nicht, bitte PN mit Mailadresse!
Edit, inzwischen geändert, siehe oben.
Zuletzt geändert von countryman am Fr Nov 27, 2020 8:56, insgesamt 1-mal geändert.
Benutzeravatar
countryman
 
Beiträge: 15031
Registriert: Sa Nov 26, 2005 15:05
Wohnort: Westfalen
Nach oben

  • Mit Zitat antworten

Re: Accord Fahrgassenschaltung FGS defekt

Beitragvon strunz06 » Do Aug 18, 2016 23:31

Hallo
Kannst du mir den Schaltplan auch bitte zusenden. Hab ne Steuerung für 9 Gassen die ebenfalls sich nicht weiterschalten läßt.
DANKE
Gruß Gerhard
strunz06
 
Beiträge: 2
Registriert: Do Aug 18, 2016 23:23
Nach oben

  • Mit Zitat antworten

Re: Accord Fahrgassenschaltung FGS defekt

Beitragvon strunz06 » Mo Aug 22, 2016 21:27

Hallo
Hab mit dem Schaltplan den Fehler herausfinden können. Steuerung lies sich nicht mehr weiterschalten.
Ursache war Leitungsunterbrechung zwischen C3 und D1.
Viel dank nochmal an countrymann

Gruß Gerhard
strunz06
 
Beiträge: 2
Registriert: Do Aug 18, 2016 23:23
Nach oben

  • Mit Zitat antworten

Re: Accord Fahrgassenschaltung FGS defekt

Beitragvon Roerich » So Sep 24, 2017 18:25

strunz06 hat geschrieben:Hallo
Hab mit dem Schaltplan den Fehler herausfinden können. Steuerung lies sich nicht mehr weiterschalten.
Ursache war Leitungsunterbrechung zwischen C3 und D1.
Viel dank nochmal an countrymann

Gruß Gerhard
Roerich
 
Beiträge: 1
Registriert: Sa Mär 05, 2016 6:19
Nach oben

  • Mit Zitat antworten

Re: Accord Fahrgassenschaltung FGS defekt

Beitragvon felbi » Di Okt 03, 2017 12:12

Hallo in die Runde !!
Ich habe ebenfalls einige kleine probleme mi meiner Schaltung !
Ich habe sie auch schon ein paar mal dort und da nachgelötet, jedoch ist meine Platiene so stark korrodiert, dass ich mir mal eine neue machen möchte !
Hat noch irgendwer den Schaltplan für den Kasten ??
Wenn ja bitte in einer pn an mich senden !!
Danke
felbi
 
Beiträge: 1
Registriert: Di Okt 03, 2017 12:06
Nach oben

  • Mit Zitat antworten

Re: Accord Fahrgassenschaltung FGS defekt

Beitragvon MBTruck » Sa Okt 21, 2017 9:29

Also ich konnte bei mir den Fehler nicht finden bzw. instand setzen, da die Schaltung auch komplett oxidiert war.
Eine neue Schaltung für 300€ oder Restaurierung für ca. 170€ über einen Internethändler kam für mich auch nicht in Frage.
Habe kurzerhand eine eigene Schaltung gebaut, welche ich vielleicht nächstes Jahr mal in geringer Stückzahl herstellen und vertreiben möchte.
Zu einem kleineren Preis als 170€ !neu! versteht sich :prost:

Könnt ihr mir sagen, welche Funktionen alle über die Box realisiert sind? Nutze selber nur eine Gasse und den Saatfüllstand/Riemensensor.
Habe bisher auch nur diese Funktionen umgesetzt. Welche sensorik gibt es noch an der Sähmaschine? Auch die optionalen wären super :wink:
MBTruck
 
Beiträge: 2
Registriert: Do Okt 05, 2017 20:38
Nach oben

  • Mit Zitat antworten

Re: Accord Fahrgassenschaltung FGS defekt

Beitragvon countryman » Sa Okt 21, 2017 11:36

kann sein dass neuere Maschinen mehr Kabelsalat haben, klassischerweise gibt es nur einen Mikroschalter für den Leermelder und einen Reedschalter (Magnetschalter) am Spuranreisser-Zylinder zum Weiterschalten.
An dem Bedienpult kann man mit einem Drehschalter den Fahrgassenrhythmus vorwählen.
Ein kräftiges Relais erlaubt einen hohen Ausgangsstrom für bis zu 5 Magnete (4 Saatklappen+Vorauflaufmarkierer).
Im Grunde alles mit einem Elektronikbaukasten der achtziger Jahre zu realisieren, oder heute mit einem Mikro-Controller.
Ich hatte schon zahlreiche Anfragen wegen dem Schaltplan, insofern ist dein Vorhaben sehr löblich, denn so einige Schaltkästen scheinen den Geist aufzugeben.
Benutzeravatar
countryman
 
Beiträge: 15031
Registriert: Sa Nov 26, 2005 15:05
Wohnort: Westfalen
Nach oben

  • Mit Zitat antworten

Re: Accord Fahrgassenschaltung FGS defekt

Beitragvon MBTruck » Sa Dez 02, 2017 11:00

Da ich nur den 5er Rhytmus nutze und keine original FGS zum Testen habe, brauche ich noch die Takte für die anderen Einstellungen.
Es gibt ja außerdem zwei verschiedene FGS Boxen.

Einmal gibt es die Einstellungen:
3
4s
5 <- Bei 3 werden Magnetschalter geschaltet.
6s
7
8s

und einmal eine FGS mit:

4
5
6
7
8
9

Wäre super, wenn ihr mir zu den Einstellungen sagen könntet, wann die Magnetschalter geschaltet werden und ob zwei FGS gleicht sind und sich nur die Zahlen geändert haben.
MBTruck
 
Beiträge: 2
Registriert: Do Okt 05, 2017 20:38
Nach oben

Nächste

Antwort erstellen
27 Beiträge • Seite 1 von 2 • 1, 2

Zurück zu Landtechnikforum

Wer ist online?

Mitglieder: Ackersau, Agrohero, baggerdidi, beihei, Bing [Bot], DST, Erlengrund, Google [Bot], Google Adsense [Bot], hb82, Südheidjer

  • Foren-Übersicht
  • Das Team • Impressum • Alle Cookies des Boards löschen • Alle Zeiten sind UTC + 1 Stunde
Powered by phpBB® Forum Software © phpBB Forum Group • Deutsche Übersetzung durch phpBB.de
phpBB SEO Design created by stylerbb.net & kodeki