Maschinenring Shop

  • Foren-Übersicht
  • Galerie
  • Chat
    Erweiterte Suche
  • Ändere Schriftgröße
  • Druckansicht
  • FAQ •
  • Datenschutzerklärung •
  • Nutzungsbedingungen • Registrieren • Login
Auto-Login

Aktuelle Zeit: Di Feb 17, 2026 7:25

Antriebsleistung Hydraulikpumpe

Hier ist nun auch ein Platz für Diskussionen rund ums Holz.

Moderator: Falke

Antwort erstellen
24 Beiträge • Seite 2 von 2 • 1, 2
  • Mit Zitat antworten

Re: Antriebsleistung Hydraulikpumpe

Beitragvon Markus K. » Fr Apr 16, 2010 20:52

schau mal in die Ersatzteilliste rein, Seite 15 bzw. 16. Dort heißt es "Druckabschaltventil".

gruß
Markus
Gruß Markus

ein Schlepper kann nicht rot genug sein!
Benutzeravatar
Markus K.
 
Beiträge: 4203
Registriert: Do Dez 09, 2004 17:26
Wohnort: Grafenwöhr / Oberpfalz
Nach oben

  • Mit Zitat antworten

Re: Antriebsleistung Hydraulikpumpe

Beitragvon JohnDeere3040 » Fr Apr 16, 2010 20:54

Ich kenne die Technik nicht, aber mit einemDruckschalter und nem elektrischen Ventil könnte es funktionieren, In die Leitung der größeren Pumpe vor ein Rückschlagventil ein 2/2 Wegeventil, dass bei erreichen das maximalen Drucks diese in den drucklosen Umlauf freigibt.
ǝɹǝǝp ɐ ǝʞıl sunɹ ƃuıɥʇou
JohnDeere3040
 
Beiträge: 4138
Registriert: So Jun 15, 2008 11:26
Wohnort: Bayern
Nach oben

  • Mit Zitat antworten

Re: Antriebsleistung Hydraulikpumpe

Beitragvon Markus K. » Fr Apr 16, 2010 21:01

Geht natürlich auch, ist nicht ganz so "elegant", da ein zusätzlicher Stromkreis benötigt wird. Aber evtl. sind die Teile günstiger wie ein Druckabschaltventil.
Gruß Markus

ein Schlepper kann nicht rot genug sein!
Benutzeravatar
Markus K.
 
Beiträge: 4203
Registriert: Do Dez 09, 2004 17:26
Wohnort: Grafenwöhr / Oberpfalz
Nach oben

  • Mit Zitat antworten

Re: Antriebsleistung Hydraulikpumpe

Beitragvon Bouni_Baden » Mo Apr 19, 2010 16:38

Hallo allerseits,

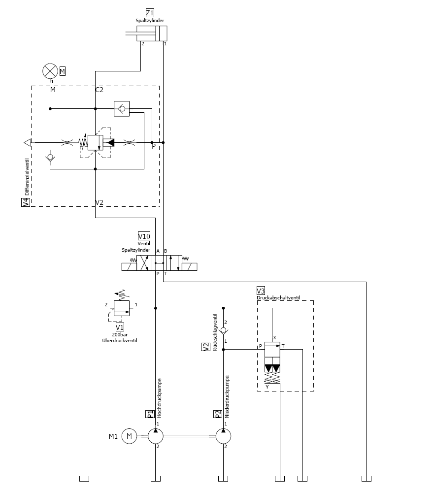
hab das mal in nen Plan gefasst. Ist das so i.O. ??

Hydraulik.png
Hydraulik Schnelllauf
(38.35 KiB) Noch nie heruntergeladen


Gruss Elias
Bouni_Baden
 
Beiträge: 27
Registriert: So Jul 05, 2009 18:35
Nach oben

  • Mit Zitat antworten

Re: Antriebsleistung Hydraulikpumpe

Beitragvon Markus K. » Mo Apr 19, 2010 21:04

Servus Elias,

ich fass mal zusammen:

maximaler Systemdruck 200 Bar; sobald ein bestimmter Druck (abhängig von Förderleistung und Antriebsleistung) erreicht wird und am Anschluß X ansteht, fördert die größere Pumpe in den Tank. So weit so gut.
Weshalb verwendest du ein Ventil mit Schwimmstellung? Durch das Eigengewicht der Kolbenstange und dem Keil wird der Zylinder nicht eingefahren bleiben (ich geh mal von einen Senkrechtspalter aus). Du solltest eines nehmen mit drucklosen Umlauf und die Anschlüsse A und B gesperrt.
Ob das Differentialventil Sinn macht, müßte man mal genau ausrechnen. Denn wenn dein DAV die große Pumpe aus dem System wirft, brauchst du die Motorleistung für den Druck. Der Eilgang wird dann wohl auch nicht zuschalten...

gruß
Markus
Gruß Markus

ein Schlepper kann nicht rot genug sein!
Benutzeravatar
Markus K.
 
Beiträge: 4203
Registriert: Do Dez 09, 2004 17:26
Wohnort: Grafenwöhr / Oberpfalz
Nach oben

  • Mit Zitat antworten

Re: Antriebsleistung Hydraulikpumpe

Beitragvon Bouni_Baden » Di Apr 20, 2010 9:10

Hallo,

Hab mir aufgrund deiner Antwort nochmal Gedanken gemacht.
Ich denke das die Zweipumpenlösung aus Kostengründen eher weg fällt und das Eilgangventil zum Zuge kommt.
Ich such mir mal ein paar Komponenten raus und poste dann mal wie Ich mir das Denke. Sollte es dann nicht passen, wäre es super wenn Ich vor dem Kauf nen wink mit dem Zaunpfahl bekäme :)

Danke schon mal
Bouni_Baden
 
Beiträge: 27
Registriert: So Jul 05, 2009 18:35
Nach oben

  • Mit Zitat antworten

Re: Antriebsleistung Hydraulikpumpe

Beitragvon Bouni_Baden » Di Apr 20, 2010 15:17

Mahlzeit,

Ich hab Markus' Berechnungstool benutzt und der min. Saugleitungsdurchmesser sollte 24.36mm betragen bei einer 14ccm Pumpe.
Aber ich finde nur 3/4" Flansche für diese Pumpe !? und lauit Rechner sollte es ja 1" sein.

Was nun ??

Hier noch meine Eingaben:
    Zylinderanzahl: 1Stück
    Zylinderhub: 1100 mm
    Kolbendurchmesser: 100 mm
    Kolbenstangendurchmesser: 70 mm
    Pumpendruck : 180 Bar
    Fördermenge : 14 cm³/U.
    ZW-Getriebe Übersetzung 1 : 1
    Zapfwellendrehzahl : 3000 U/min

Die Pumpe hat einen Lochkreis Durchmesser von 40mm an der Saugseite.


Gruss Elias
Bouni_Baden
 
Beiträge: 27
Registriert: So Jul 05, 2009 18:35
Nach oben

  • Mit Zitat antworten

Re: Antriebsleistung Hydraulikpumpe

Beitragvon Bouni_Baden » Di Apr 20, 2010 19:00

Nabend,

Ich hab noch mehr Fragen (hoff Ich nerf nicht all zu sehr :oops: )

Wenn ich mehrere Ventile brauche für noch weitere Funktionen und eine solche Verteilerplatte verwenden will, muss ich dann auch Ventile verwenden die in Mittelstellung von P nach T umleiten (Solche hier)

Ich hab mir nämlich grade so überlegt das dann der Druck sobald eins in Mittelstellung ist durch diese Verbindung von P nach T abhaut !?

Gruss Elias
Bouni_Baden
 
Beiträge: 27
Registriert: So Jul 05, 2009 18:35
Nach oben

  • Mit Zitat antworten

Re: Antriebsleistung Hydraulikpumpe

Beitragvon Bouni_Baden » Mi Apr 21, 2010 10:15

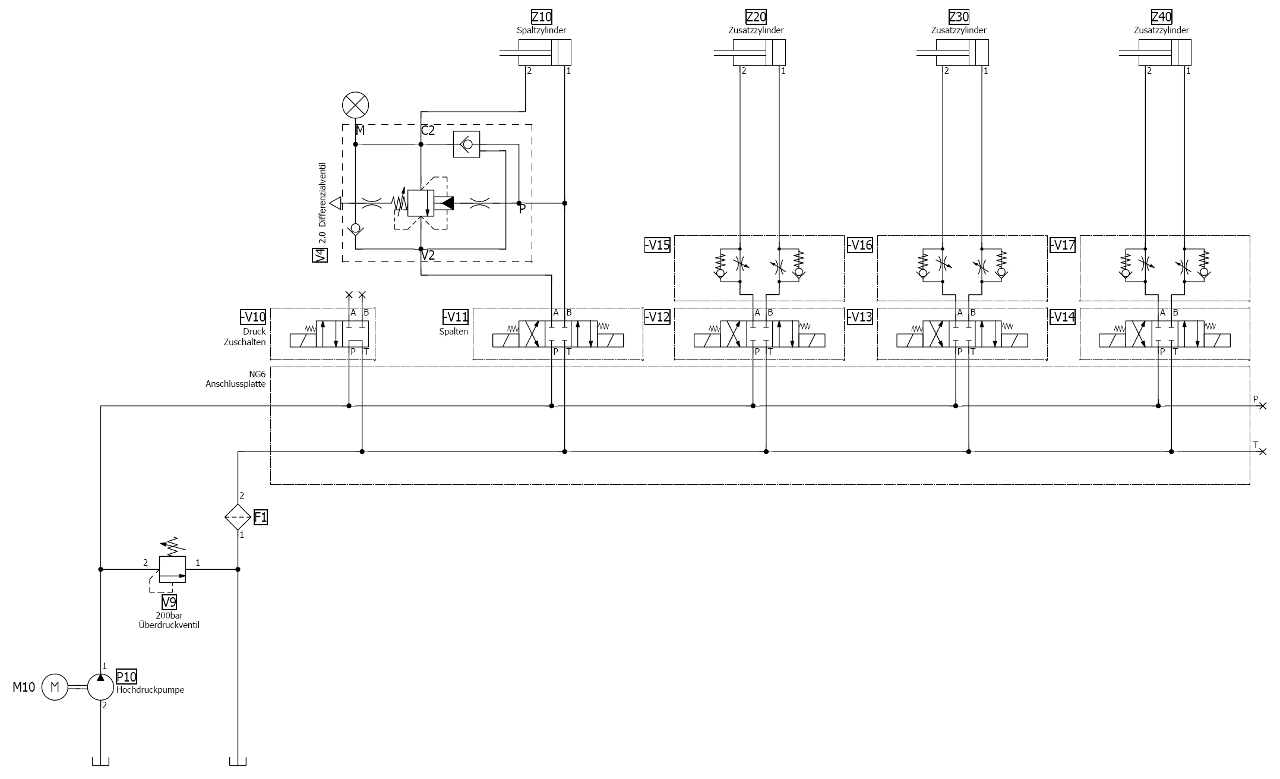
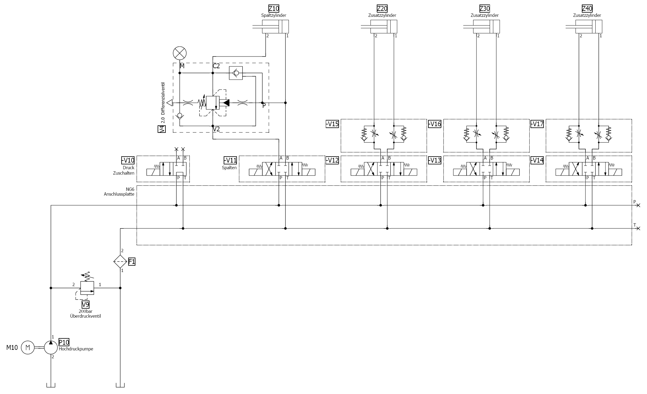
Hallo,

Hab ne Lösung gefunden :D

Hydraulik.png
Hydraulik Schaltplan
(86.8 KiB) Noch nie heruntergeladen


Hydraulik_Gross.png
Der Selbe Plan nur in Höherer Auflösung
(90.94 KiB) Noch nie heruntergeladen


Ich hab ein Ventil auf der Anschlussplatte das immer von P nach T Drucklos umleitet.
Wenn ein Ventil geschalten wird schaltet das Ventil mit und sperrt so den Drucklosen Umlauf.

Gruss Elias
Bouni_Baden
 
Beiträge: 27
Registriert: So Jul 05, 2009 18:35
Nach oben

Vorherige

Antwort erstellen
24 Beiträge • Seite 2 von 2 • 1, 2

Zurück zu Forstwirtschaft

Wer ist online?

Mitglieder: bauer hans, Bing [Bot], Google [Bot], Google Adsense [Bot], Monti, Schwobapower, Steyrer8055, TommyA8, treerunner

  • Foren-Übersicht
  • Das Team • Impressum • Alle Cookies des Boards löschen • Alle Zeiten sind UTC + 1 Stunde
Powered by phpBB® Forum Software © phpBB Forum Group • Deutsche Übersetzung durch phpBB.de
phpBB SEO Design created by stylerbb.net & kodeki