Moin Moin
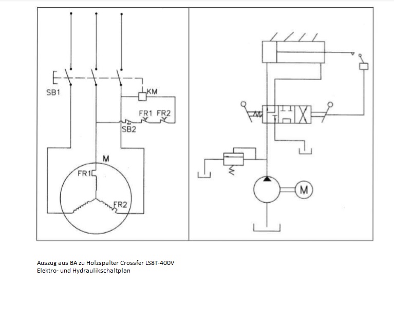
Ich habe einen Crossfer LS8T-400 V Holzspalter gebraucht gekauft. Und war auch bis jetzt zufrieden. Letztes Jahr habe ich die Bedienhebel, das das Rohr verbogen war, durch Vollmaterial ersetzt. Jetzt habe ich ein Problem. Wenn ich, da die Temperaturen gegen 0 Grad gehen, das Hydrauliköl vorwärmen will, schaltet der Motor mit einem grellen oder schrillen Laut nach 10 Minuten ab, und es liegt Rauch in der Luft. Der Motor lässt sich auch wieder einschalten und die Mechanik funktioniert auch. Was ist hier das Problem ? Ich habe auch noch nie das Hydrauliköl gewechselt.
Joé Joé
