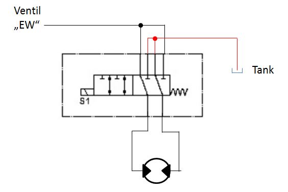
Danke für eure super Antworten genau so ein Ventil ist es nur das ein Steuerkreis einfachwirkend ist. Hab heute das dwlv gegen einen Blindstopfen ersetzt.
Noch ne frage kann man einen Rotator an einen einfachwirkenden Kreis anschließen eine Leitung Steuergerät eine Rücklauf müsste funktionieren oder? (Rotator dreht nur in eine Richtung)
Danke mfg
