Maschinenring Shop

  • Foren-Übersicht
  • Galerie
  • Chat
    Erweiterte Suche
  • Ändere Schriftgröße
  • Druckansicht
  • FAQ •
  • Datenschutzerklärung •
  • Nutzungsbedingungen • Registrieren • Login
Auto-Login

Aktuelle Zeit: So Mai 31, 2026 18:18

Frage wegen Hydraulik Steuergerät

Hier ist nun auch ein Platz für Diskussionen rund ums Holz.

Moderator: Falke

Antwort erstellen
23 Beiträge • Seite 1 von 2 • 1, 2
  • Mit Zitat antworten

Frage wegen Hydraulik Steuergerät

Beitragvon turbobruder » Di Jan 13, 2015 21:53

Kann mir jemand helfen wie ich dieses Steuergerät anschließe?

Für was sind die beiden Anschlüsse auf der rechten Seite?

Sind beide Anschlüsse Rückläufe kann ich sie miteinander verbinden oder gar einen Anschluss blind machen?

Steuergerät kommt aus einem Stapler

Danke im voraus :)
Dateianhänge
2015-01-13 21.51.55.jpg
turbobruder
 
Beiträge: 8
Registriert: So Nov 10, 2013 13:32
Nach oben

  • Mit Zitat antworten

Re: Frage wegen Hydraulik Steuergerät

Beitragvon WaldbauerSchosi » Di Jan 13, 2015 22:05

Links ist Eingang "IN" oder P

Rechts Ausgang.

Die kannst du nicht dicht machen.
einer ist wohl ein Ausgang des rechten Hebels, der andere ist der Ausgang, wenn die Ventile auf Neutral stehen, wird durch diesen das Öl im Kreislauf gepumpt.
WaldbauerSchosi
 
Nach oben

  • Mit Zitat antworten

Re: Frage wegen Hydraulik Steuergerät

Beitragvon ober_lenker » Di Jan 13, 2015 22:11

Zu den rechten beiden: Ich schätze mal der dünnere wird die Druckweiterleitung und der dicke der Tankabgang sein.
Links Eingang von Pumpe, obenauf die Arbeitsanschlüsse der Ventile.
Die dicken Blindschrauben lassen dich P und T in einem anderen Winkel abgreifen - je nach Einbausituation.

Kann aber auch sein dass ich völlig daneben liege. Zur Not mal mit leichter Druckluft die Durchgänge prüfen.
Benutzeravatar
ober_lenker
 
Beiträge: 744
Registriert: Di Nov 27, 2007 13:01
Nach oben

  • Mit Zitat antworten

Re: Frage wegen Hydraulik Steuergerät

Beitragvon turbobruder » Di Jan 13, 2015 22:54

Hab mir auch gedacht das der rechts hinten zur Druckweiterleitung ist aber den kann ich verschließen oder?
Mfg
turbobruder
 
Beiträge: 8
Registriert: So Nov 10, 2013 13:32
Nach oben

  • Mit Zitat antworten

Re: Frage wegen Hydraulik Steuergerät

Beitragvon Fadinger » Mi Jan 14, 2015 0:08

Hallo!
turbobruder hat geschrieben:aber den kann ich verschließen oder?

Eher oder nicht ... :wink:
Wenn es eine DWL ist, und Du dieses Steuergerät als einziges in einen offenen System betreiben möchtest, dann mußt Du auch die DWL zurück in den Tank leiten. Wenn Du den Anschluß zumachst, kann das öl nirgends aus, und müßte über das DBV fließen. Sonst würde Dir das Teil um die Ohren fliegen.
Eventuell läßt sich der DWL-Nippel herausschrauben und gibt eine Bohrung in den Tankrücklauf frei. Im Prinzip das Selbe, als wenn Du die DWL so in den Tank leitest.

Gruß F
Benutzeravatar
Fadinger
 
Beiträge: 6428
Registriert: Do Jun 25, 2009 23:41
Wohnort: Oberösterreich, Mühlviertler Alm
Nach oben

  • Mit Zitat antworten

Re: Frage wegen Hydraulik Steuergerät

Beitragvon WaldbauerSchosi » Mi Jan 14, 2015 8:27

Zur Not wirklich mit Druckluft probieren.

Aber Achtung, da kommt ein Ölnebel raus. Kannst ja nen Luftballon draufstecken :wink:
WaldbauerSchosi
 
Nach oben

  • Mit Zitat antworten

Re: Frage wegen Hydraulik Steuergerät

Beitragvon jensjensen » Mi Jan 14, 2015 8:39

Meine Meinung:
Links Pumpe (Grün)
Rechts Unten Tank (Blau)
Rechts Oben DWL kann verschlossen werden (Weiß)
1x Einfachwirkender Kreis (Gelb))
1x Doppelwirkender Kreis (Rot)
Rastungen(Schwarz)
DBV (oranger Pfeil)
Eventuell kann der einfachwirkende Kreis auf Doppelwirkend erweitert werden wenn sich der Anschluss Mitte rechts auch öffnen lässt kann ich so nicht sehen, aber sieht so aus.
Unbenannt.png
Unbenannt.png (295.52 KiB) 2475-mal betrachtet
Zuletzt geändert von jensjensen am Mi Jan 14, 2015 10:58, insgesamt 5-mal geändert.
jensjensen
 
Beiträge: 116
Registriert: So Dez 28, 2014 7:44
Nach oben

  • Mit Zitat antworten

Re: Frage wegen Hydraulik Steuergerät

Beitragvon Fadinger » Mi Jan 14, 2015 9:38

Hallo!
jensjensen hat geschrieben:Rechts Oben DWL kann verschlossen werden

:roll: Bitte keine lebensgefährlichen Anweisungen geben!
jensjensen hat geschrieben:Beide Kreise mit separaten DBV für unterschiedlichen Arbeitsdruck (oben über den Anschlüssen)

Das DBV sitzt unten links, oben unter den Alukappen sind nur die Rastungen für die Hebel ...

Gruß F
Benutzeravatar
Fadinger
 
Beiträge: 6428
Registriert: Do Jun 25, 2009 23:41
Wohnort: Oberösterreich, Mühlviertler Alm
Nach oben

  • Mit Zitat antworten

Re: Frage wegen Hydraulik Steuergerät

Beitragvon jensjensen » Mi Jan 14, 2015 10:00

Klar hast recht mit den Rastungen mit den DBV hab ich auch gerade gesehen war quatsch sorry

Auszug einer Ventilbeschreibung

2 Sektion-Monoblockventil 50l/min - 350 bar
1 x 4/3-Mitte: A+B geschlossen + druckloser Umlauf - federzentriert (doppeltwirkend)
•1 x 4/3-Mitte: A+B geschlossen + druckloser Umlauf - Stell.1: P zu B-Stell.2: B zu T+ druckl. Umlauf (einfachwirkend)
Anschlussgewinde: P=3/8" - A+B= 3/8" - T= 1/2"
•incl. 2 x Handhebel
•mit Druckweiterleitung 3/8" N

zu deutsch:
Doppelwirkende Kreis:
Hebel Mittelstellung - druckloser Umlauf
Hebel drücken - Zylinder fährt aus
Hebel ziehen - Zylinder fährt ein

Einfachwirkende Kreis:
Hebel Mittelstellung - druckloser Umlauf
Hebel drücken - Zylinder fährt aus
Hebel ziehen - Zylinder fährt durch Gewicht wieder ein und Öl fließt zurück in den Tank

Keine Ahnung ob in Stellung 2 das Öl von B zum Tank und zeitgleich druckloser Umlauf ist, wenn nicht würde der Druck übers DBV gehen vlt. kann man es über die Rastungen einstellen kann ich so nicht sagen, aber wenn Stellung 2 ohne drucklosen Umlauf ist bringt auch die DWL nix da diese dann geschlossen ist.
jensjensen
 
Beiträge: 116
Registriert: So Dez 28, 2014 7:44
Nach oben

  • Mit Zitat antworten

Re: Frage wegen Hydraulik Steuergerät

Beitragvon 2810 » Mi Jan 14, 2015 13:03

jensjensen hat geschrieben:...

.2: B zu T+ druckl. Umlauf (einfachwirkend)
...
Einfachwirkende Kreis:

Hebel ziehen - Zylinder fährt durch Gewicht wieder ein und Öl fließt zurück in den Tank

Keine Ahnung ob in Stellung 2 das Öl von B zum Tank und zeitgleich druckloser Umlauf ist, wenn nicht würde der Druck übers DBV gehen vlt. kann man es über die Rastungen einstellen kann ich so nicht sagen, aber wenn Stellung 2 ohne drucklosen Umlauf ist bringt auch die DWL nix da diese dann geschlossen ist.


Meine Meinung dazu :
Dein einfachwirkendes Ventil ist ein echtes --> das heißt , es kann nicht auf DW umgestellt werden .
Daraus folgt, dass bei Senkstellung des Ventils der Neutralumlauf nicht in den Rücklauf geleitet wird ( das Rücklauföl des Zylinders jedoch sehr wohl in den Rücklauf geht ) , sondern für die DWL bzw für weitere Verbraucher zur Verügung steht
Diesen feinen Unterschied gibts nicht für Ventile, die umschaltbar sind.

Aufpassen muss man , dass man für die Druckweiterleitung den speziellen Nippel montiert, weil dieser verhindert , dass am Blockende der Neutralumlauf in den Rücklaufkanal gelenkt wird.
2810
 
Beiträge: 4920
Registriert: Mo Feb 26, 2007 13:40
Wohnort: LKR. Heilbronn
Nach oben

  • Mit Zitat antworten

Re: Frage wegen Hydraulik Steuergerät

Beitragvon Fadinger » Mi Jan 14, 2015 13:32

Hallo!
jensjensen hat geschrieben:Rechts Unten Tank (Blau)
Rechts Oben DWL (Weiß)

Eher umgekehrt denke ich. Also weiß = Tank, blau = DWL.
Den Tankrücklauf zuzumachen ist aber ebenfalls nicht günstig ... :wink:
Merke: Im offenen System darf eine DWL (und natürlich auch die Rückleitung in den Tank) nie niemals nicht verschlossen werden! Die Gefahr, die dabei besteht, ist, daß durch den Verschluß der Tankleitung auch das DBV außer Gefecht gesetzt wird (wo soll das Öl hin???), und sich Druck aufbaut, bis etwas bricht oder explodiert.
Wenn, dann wird die DWL entfernt. Dadurch wird aber im Steuergerät der Kanal für den drucklosen Umlauf in den Tank freigegeben.

Gruß F
Benutzeravatar
Fadinger
 
Beiträge: 6428
Registriert: Do Jun 25, 2009 23:41
Wohnort: Oberösterreich, Mühlviertler Alm
Nach oben

  • Mit Zitat antworten

Re: Frage wegen Hydraulik Steuergerät

Beitragvon 2810 » Mi Jan 14, 2015 17:51

In unmittelbarer Nähe vom blauen Nippel ist doch die Schrift eingegossen "out".
Also könnte man doch daraus folgern : Blau = T
2810
 
Beiträge: 4920
Registriert: Mo Feb 26, 2007 13:40
Wohnort: LKR. Heilbronn
Nach oben

  • Mit Zitat antworten

Re: Frage wegen Hydraulik Steuergerät

Beitragvon technician2006 » Mi Jan 14, 2015 19:19

Hallo turbobruder,

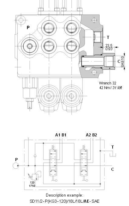
dieses Ventil sollte dem Aussehen nach ein Walvoil-Ventil des Typ SD5 oder SD11 sein.
Schätzungsweise SD11. Die Dokumentation des Hersteller habe ich hier verlinkt (hoffentlich funktioniert der Link...)
http://www.walvoil.com/pdf/prodotti/USA/SD11A_497646.PDF

Eine relativ einfache Möglichkeit um herauszufinden welche Schiebertypen (Funktionen) in den einzelnen Sektionen verbaut sind, hat WaldbauerSchosi schon erwähnt --> Mit Druckluft testen;Vorsicht wg. Öl bzw. Ölnebel!!

Die P-Leitung (Druckleitung) kann entweder am Ventilgehäuse von oben oder wie in deinem Fall "links" angeschlossen werden. Der Anschluss für die Tankleitung ("rechts,oben") kann bei Bedarf auch nach oben verlegt werden...

Die verschiedenen Anschlussmöglichkeiten sind rel. einfach aus der Dokumentation ersichtlich...

Bzgl. der Druckweiterführungsbuchse:
Verschließen solltest du den Anschluss nicht, da sonst der Ölstrom unter dem am Druckbegrenzungsventil eingestellten Maximaldruck in den Tank abgeführt wird (siehe Schaltbild), dadurch würde dir relativ schnell das Öl sehr heiß werden...
Besser wäre den Anschluß an den Tank zu führen oder die Buchse gegen einen passenden Blindstopfen tauschen, hierdurch wird ein interner Kanal im Ventil geöffnet... (-->siehe Schnittdarstellung)

Walvoil.JPG

walvoil_.JPG
walvoil_.JPG (38.61 KiB) 2253-mal betrachtet


Auszug mit Druckweiterführungsbuchse
Walvoli DRWL.JPG
Walvoli DRWL.JPG (47.31 KiB) 2233-mal betrachtet
Zuletzt geändert von technician2006 am Mi Jan 14, 2015 21:45, insgesamt 1-mal geändert.
Mfg
technician2006
technician2006
 
Beiträge: 15
Registriert: Sa Jan 10, 2015 20:46
Wohnort: Unterfranken
Nach oben

  • Mit Zitat antworten

Re: Frage wegen Hydraulik Steuergerät

Beitragvon 2810 » Mi Jan 14, 2015 21:45

Gute Darstellung technician . bei den Valvoil- Ventilen ist mit "out " scheinbar die DWL beziffert.

Am letzten Sinnbild ist gut sichtbar , was der Weiterleitungsnippel im Ölstrom bewirkt :idea:
2810
 
Beiträge: 4920
Registriert: Mo Feb 26, 2007 13:40
Wohnort: LKR. Heilbronn
Nach oben

  • Mit Zitat antworten

Re: Frage wegen Hydraulik Steuergerät

Beitragvon technician2006 » Mi Jan 14, 2015 21:49

2810 hat geschrieben:Gute Darstellung technician . bei den Valvoil- Ventilen ist mit "out " scheinbar die DWL beziffert.

Am letzten Sinnbild ist gut sichtbar , was der Weiterleitungsnippel im Ölstrom bewirkt :idea:


Hallo 2810,

nicht ganz.
Die Beschriftung "IN" bezieht sich auf den Eingang (P) und "OUT" bezeichnet den Tankanschluss (T) auf der Gehäuseoberseite.
Das sind die etwas größeren Blindstopfen in unmittelbarer nähe zur "Beschriftung"
Mfg
technician2006
technician2006
 
Beiträge: 15
Registriert: Sa Jan 10, 2015 20:46
Wohnort: Unterfranken
Nach oben

Nächste

Antwort erstellen
23 Beiträge • Seite 1 von 2 • 1, 2

Zurück zu Forstwirtschaft

Wer ist online?

Mitglieder: Bing [Bot], Google [Bot], Gronachtaler, Irmgard

  • Foren-Übersicht
  • Das Team • Impressum • Alle Cookies des Boards löschen • Alle Zeiten sind UTC + 1 Stunde
Powered by phpBB® Forum Software © phpBB Forum Group • Deutsche Übersetzung durch phpBB.de
phpBB SEO Design created by stylerbb.net & kodeki