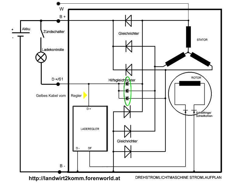
Das dürfte der richtige Anschluss sein aber immer noch dasselbe Problem bei laufenden Motor so 7 Volt.
Wie viel Spannung darf beim Anschluss W eigentlich sein bei mir sind Zündung ein so 1,5 Volt bei laufenden Motor auch ca. 7 Volt also gleiche Spannung wie auf dem Kabel zur Ladekontrollleuchte.
