Hallo,
an meinem Sägespaltautomat ist eine 25/11ccm Tandempumppe verbaut. Dies wird vom 45 PS Eicher über Zapfwelle angetrieben.
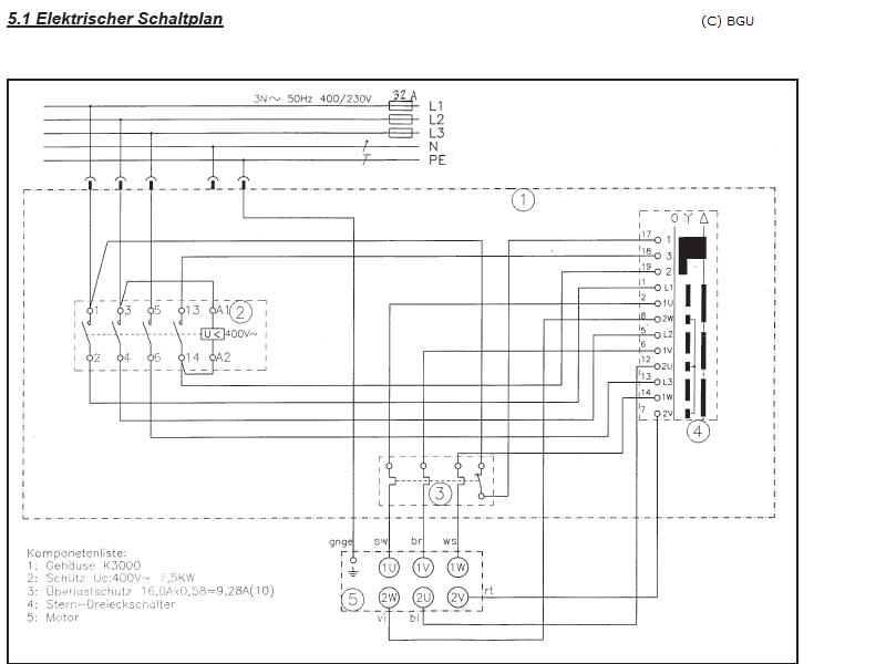
Jetzt habe ich von BGU ein elektromechanisches Aggregat angeschlossen mit 11 Kw wo obenstehende Pumpe antreibt.
Funktioniert, aber natürlich alles ein bißchen schwächer.
Original wird der SSA auch mit E-Motor angeboten. Dieser hat nur 7,5 Kw und treibt die Pumpen direkt an.
Wie kann der SSA auch mit 7,5 Kw laufen oder wird er dann noch schwächer. Habe ein Video mit dem 7,5 Kw Motor gesehen, sieht besser als das 11 Kw Aggregat aus. Kann das sein weil die Pumpen direkt angetrieben werden?
Wenn ich den Leistungsbedarf im Kw berechne muss ich dann beide Pumpen zusammenzählen?
