304 hat geschrieben:motzlarerbauer hat geschrieben:Interessant wäre natürlich noch, ggf. Auch das Haus für den Blackout damit speisen zu können. Zumindest die wichtigsten Geräte.
Du hast hier völlig unterschiedliche Anforderungen.
Für etwas Licht und Hauswasserkraftwerkwerk reicht ein einfaches leistungsstarkes 230V Gerät.
Baustelle geht schnell in ganz andere Leistungsbereiche, je nachdem was hier mit Flex, Kreissäge und Bohrhammer gemeint ist.
Und für eine Gebäudeeinspeisung benötigtst du ein Aggregat mit IT-TN Umschaltung. IT-Netz mit Isolationsüberwachung für mobilen Betrieb und TN-Netz für Gebäudeeinspeisung. Letzteres vorbereitet durch einen Elektriker.
Die einfachen Stromerzeuger haben ab Werk nur ein IT-Netz ohne Isolationsüberwachung. Schutz erfolgt durch Schutztrennung, daher nur der direkte Anschluss eines einzigen Verbrauchers erlaubt. Für den zweiten und jeden weiteren Verbraucher muss für jeden (!) Verbraucher ein RCD (alternativ Trenntrafo) vorgesehen werden. Absolut untauglich für eine Baustelle.
https://www.bgbau.de/fileadmin/Medien-O ... 03_032.pdf
Suche nach etwas mit Isolationsüberwachung und IT/TN Umschaltung.
Leistung müsste man anhand der geplanten Verbraucher vor Ort ermitteln.
Danke für die Aufklärung.
Ob wir wirklich mal in eine Blackout kommen, ist ja ein ganz anderes Thema. Aber man möchte einfach vorbereitet sein.
Dies war auch ein Grund für die Entscheidung einen Brunnen zu bohren. Man ist einfach unabhängig (oder vielleicht auch doch nicht, den die Behörden sollten jeden Brunnen angezeigt bekommen), naja mal abwarten.
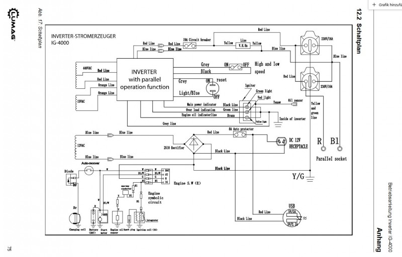
Notstromaggregat für Gebäudeeinspeisung scheint ein größeres Thema zu sein, da muss ich mich mal richtig einlesen.
Daher wahrscheinlich jetzt mal ein Aggregat kaufen für den Baustellenbetrieb usw. und dann nochmal ein "vernünftiges"


