Es kommt natürlich auch auf die Isolierung und somit den Wärmebedarf des Hauses an.
Meine Steuerung sieht so aus:
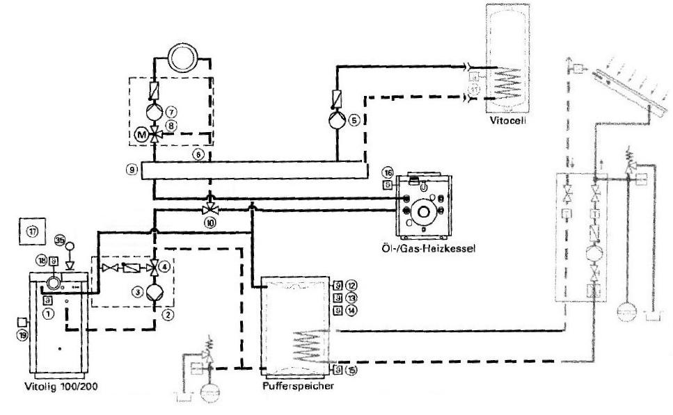
Um eine Vermischung des Puffers zu verhindern habe ich das Taktventil -Nr. 10 eingebaut. Der Kesselfühler S16 meldet meiner Steuerung wenn die Temp im Ölkessel zu niedrig ist- dann wird das Taktventil umgeschaltet und der Rücklauf von der Weiche geht Richtung Puffer bis die Temp im Ölkessel wieder die eingestellte Temp erreicht hat - dann schaltet das Ventil wieder zurück..


für einen
es sollte also jemand mittags nachm Feuer schauen können für den Fall daß einer ein Vollbad braucht...