robs97 hat geschrieben:@ Forstjunior
Steck doch einfach mal das Kabel an der Steckdose an und mess was auf der anderen Seite an dem flexiblem Draht/Kabelschuhen ankommt.
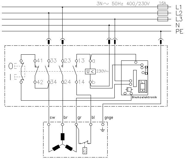
Wenn auf den beiden schwarzen und dem blauen flexDraht 220 V ankommen, dann hast Du Deine 3 Phasen und wie ( weil nicht notwendig) oben schon geschrieben keinen Nulleiter. Zwischen den 2 schwarzen und zwischen schw1-blau, schw2-blau gemessen müssens dann 380 V sein. Die gelb/grüne Leitung ist dann Dein PE ( Schutzleiter ).
PS:
In einem Kabel sind nicht 4 Kabel, auch nicht 5 sondern Drähte. Sonst reden wir hier noch eine Weile aneinander vorbei![]()
Als Kabel bezeichnet man einen mit einer Isolatorhülle ummantelten mehradrigen Verbund von Drähten beziehungsweise optischen Leitern
Draht ist in der Regel dünn, lang und biegsam geformtes Metall oder Kunststoff mit oft kreisförmigem Querschnitt.
In Verlängerungskabeln, Maschienenzuleitungen sind in der Regel flexible Drähte im Kabel![]()
![]()
![]()
im deutschen Stromnetz sinds schon seit ein paar Jahren 230V bzw. 400 V
grins Holzmacher

