Baysie hat geschrieben:Was für ein Ventil hast du da verbaut?
Gruß
Hallo,
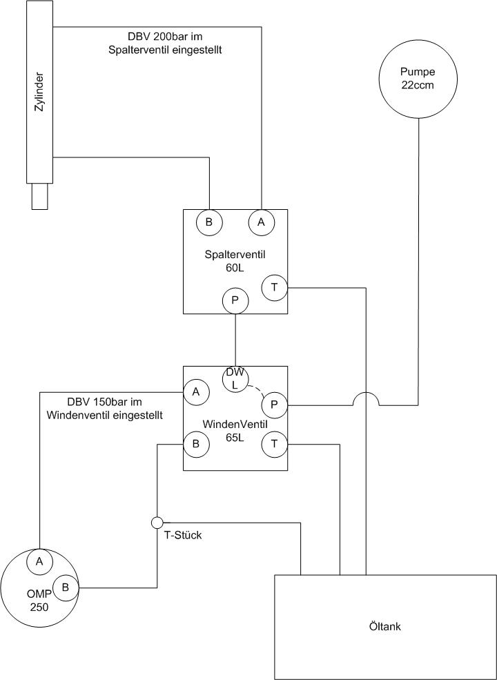
das ist ein 5/3 Wegeventil mit einstellbarer Druckbegrenzung und Druckweiterleitung für 40 l/min ohne Rastung.

Aktuelle Zeit: So Feb 15, 2026 12:46
Moderator: Falke
Baysie hat geschrieben:Was für ein Ventil hast du da verbaut?
Gruß

Kugelblitz hat geschrieben:wenn ich mich jetz nicht täusche, müsstest vom Tankanschluss des Spalterventils, in den Steuerblock von der Winde (in den P-Anschluss) und dann erst zum Tank.
Du gehst ja erst ins Windenventil und von da erst zum Spalterventil, da haut dir der Druck übers Windenventil ab!
Markus K. hat geschrieben:Druckweiterleitungsanschluß und Tankanschluß sind im selben Kanal, soweit richtig. Aber nur, solange der DWL-Einsatz nicht eingeschraubt ist. Der macht in Neutralstellung die Verbindung von P nach T (druckloser Umlauf) dicht und das Öl muß zwangsläufig zum Nachfolgeventil. Im DWL-Ventil ist nur Ölfluß am T-Anschluß, wenn der Motor am arbeiten ist. Dann geht auch nix am Spalter.
Entsprechend ist das System erstmal mit der Druckeinstellung vom DWL-Ventil eingestellt. Wenn das schon ganz reingedreht ist, ist es evtl. zu schwach. Oder die eingeschraubte DWL-Patrone ist nicht ganz dicht und bei Belastung haut dir das Öl da drüber ab. Dazu kannst mal hergehen und den Schlauch vom Tank nehmen, der vom DWL-Ventil kommt. Mit dem Spalterkreis fährst auf Überdruck. Aus dem Tankschlauch darf in dem Moment nichts rauskommen.
Kugelblitz hat geschrieben:Geh doch einfach vom Tankanschluss des Spalterventils in den Pumpenanschluss vom Windenventil.
Kugelblitz hat geschrieben:Mal ne andere Frage: Wie spulst du die Wind ab?
Mitglieder: Bing [Bot], Google [Bot], Google Adsense [Bot], Luetti, Majestic-12 [Bot], Steyrer8055