Holzteufele hat geschrieben:Markus K. hat geschrieben:Druckweiterleitungsanschluß und Tankanschluß sind im selben Kanal, soweit richtig. Aber nur, solange der DWL-Einsatz nicht eingeschraubt ist. Der macht in Neutralstellung die Verbindung von P nach T (druckloser Umlauf) dicht und das Öl muß zwangsläufig zum Nachfolgeventil. Im DWL-Ventil ist nur Ölfluß am T-Anschluß, wenn der Motor am arbeiten ist. Dann geht auch nix am Spalter.
Entsprechend ist das System erstmal mit der Druckeinstellung vom DWL-Ventil eingestellt. Wenn das schon ganz reingedreht ist, ist es evtl. zu schwach. Oder die eingeschraubte DWL-Patrone ist nicht ganz dicht und bei Belastung haut dir das Öl da drüber ab. Dazu kannst mal hergehen und den Schlauch vom Tank nehmen, der vom DWL-Ventil kommt. Mit dem Spalterkreis fährst auf Überdruck. Aus dem Tankschlauch darf in dem Moment nichts rauskommen.
So, Volltreffer![]()
Ich hab den Winden-T-Anschluß wie Du es Vorgeschlagen hast abgeschraubt und am T-Stück wo ich in die Tankleitung zurückgehe natürlich einen Blindstopfen reingedreht. Sobald ich den Spaltzylinder betätige kommt mir die Soße aus dem Winden-T-Anschluß raus - sogar beim einfachen runterfahren![]()
Die Druckbegrenzungspatrone habe ich dann ausgebaut und auf Beschädigungen untersucht. Ohne Erfolg, hat nichts gebracht. Ich hab dann die Einstellung der Druckbegrenzung ganz hochgedreht - die Feder liegt dann auf Block- trotzdem kommt die Soße runter..
Schließlich habe ich dann noch den DWL-Einschrauber ausm "N"-Anschluß rausgedreht - aber auch hier konnte ich keine Beschädigung an der Gummidichtung feststellen.
Was mich wirklich verwundert ist die Menge die selbst beim einfachen runterfahren des Zylinders aus dem T-Anschluß des Windenventils kommt.
Kann ich das Ventil jetzt verschrotten - oder gibts eine Möglichkeit das DBV durche einen Verschlußstopfen auszuschaltenGibt es unterschiedliche Einschrauber für die Druckweiterleitung und ich hab den falschen gekriegt
Servus,
ich bin jetzt nicht ganz sicher, aber ich denk, du hast nicht genau das gemacht, was ich beschrieben hatte.
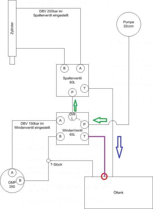
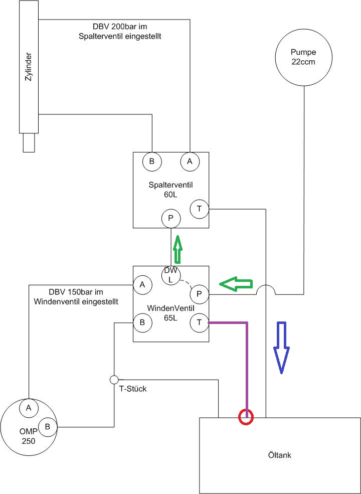
Gehen wir mal von Neutralstellung beider Ventile aus, dann geht das Öl den Weg der grünen Pfeile, der drucklose Umlauf findet im Spalterventil statt (hier geht das Öl letztendlich vom P in den T-Anschluß). Der T-Anschluß am Windenventil bleibt trocken!
Sobald du den Spalter bedienst geht das Öl zum Zylinder, von da wieder zurück und wieder durch den T-Anschluß vom Spalterventil zurück, soweit klar. Der T-Anschluß am Windenventil bleibt wieder trocken! Es sei denn, das DBV am Spalterventil ist höher eingestellt als das der Winde. In dem Fall entlastet das Winden-DBV das System und am gekennzeichneten Tankanschluß kommt Öl.
Erst, wenn du deine Winde betätigst kommt Öl am T-Anschluß des Windenventils ( bei deiner Schaltung wirds nicht soviel sein, da vieles über den Bypass in den Tank geht). Das sind die einzigen Fälle, wo im lilanen Schlauch ein Ölstrom vorhanden sein darf.
Deshalb mein Gedanke, das du den Schlauch an der roten Markierung abbaust und dann mit dem Spalterventil auf Überdruck gehst (dabei im Auge behalten, das im Fehlerfall da das Öl raus will).
Wenn du jetzt die Tankleitung, die vom T-Stück weggeht, abgemacht hast und statt des Schlauchs einen Blindstopfen reingedreht hast, so sollte das alles auch funktionsfähig sein mit dem Unterschied, das der Seilauszug hydraulisch geht und von Hand nicht (oder nur äußerst schwer) beschleunigt werden kann.
Wo ist denn das Öl ausgetreten, am abmontierten Schlauch oder am nicht festgezogenen Blindstopfen auf dem T-Stück? Kommen sollte eigentlich nirgends wo was...


