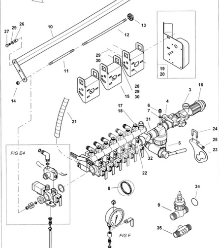
Durch den Durchflussmengenmesser kann keine Stange gehen. Darin befindet sich schließlich das Propellerrädchen für die Impulse.
Höffti, deine Zeichnung ist falsch bzw. nicht von der Armatur G.
Bei der Version mit Durchflussmengenmesser gibt es 2 Stangen.
Den DMM demontieren und danach die rechte Seite nachziehen bzw. neue Dichtungen verbauen wäre mein Vorgehen.

