Maschinenring Shop

  • Foren-Übersicht
  • Galerie
  • Chat
    Erweiterte Suche
  • Ändere Schriftgröße
  • Druckansicht
  • FAQ •
  • Datenschutzerklärung •
  • Nutzungsbedingungen • Registrieren • Login
Auto-Login

Aktuelle Zeit: Mo Feb 16, 2026 6:14

VORSTELLUNG EIGENBAU SÄGESPALTAUTOMAT / FIREWOODPROCESSOR

Hier ist nun auch ein Platz für Diskussionen rund ums Holz.

Moderator: Falke

Antwort erstellen
140 Beiträge • Seite 9 von 10 • 1 ... 6, 7, 8, 9, 10
  • Mit Zitat antworten

Re: VORSTELLUNG EIGENBAU SÄGESPALTAUTOMAT / FIREWOODPROCESSO

Beitragvon ich bins » Do Jul 02, 2015 7:37

Chapeau! ....und das mit Recht! Tolle Arbeit die du da geleistet hast! Würde ich auch gerne können...
Hast du beruflich mit solchen Projekten zu tun? Schaut richtig professionell aus.

Gruß aus Franken
ich bins
 
Beiträge: 260
Registriert: Mo Jun 29, 2009 14:16
Wohnort: Franken
Nach oben

  • Mit Zitat antworten

Re: VORSTELLUNG EIGENBAU SÄGESPALTAUTOMAT / FIREWOODPROCESSO

Beitragvon 323er » So Jul 05, 2015 1:20

Da kann man ich den anderen nur anschließen, eine super durchdachte Arbeit. Von mir auch mein vollsten Respekt :prost:

gruß Robert
Wer Fortschritt fährt der führt!!!!

Hast Du einen Rechtschreibfehler gefunden??? Schön für Dich!!!
Benutzeravatar
323er
 
Beiträge: 701
Registriert: Di Aug 05, 2008 22:18
Wohnort: im Eichsfeld
  • ICQ
Nach oben

  • Mit Zitat antworten

Re: VORSTELLUNG EIGENBAU SÄGESPALTAUTOMAT / FIREWOODPROCESSO

Beitragvon 737Sepp » Di Nov 08, 2016 13:40

Servus zusammen,

ich möchte mich kurz vorstellen. Mein Name ist Sepp und ich beschäftige mich schon seit einiger Zeit mit dem bau eines Sägespaltautomaten. Angeregt natürlich von eueren Beiträgen die ich seit Jahren verfolge.

Eckdaten meines Projektes:

Stammlänge 5m, Durchmesser bis 50cm, Hydraulische Kettensäge, Spalter 28to Spaltkraft, Spaltlänge bis 60cm, Spaltkanal 70cm, Spaltkreuzverstellung, Möglichkeit zum schneiden von Kleinzeug das nicht gespalten wird und nach vorne ausgeworfen wird.

Hauptkomponenten: Powertrac 820 Tandemgetriebe, zwei Sunfab 108 Konstantpumpen (eine für den Sägekreislauf und eine für den Spaltkreislauf und Nebenverbraucher), Sägemotor Parker F11-10, 75cm Oregon .404 Schwert.

Mittlerweile ist das meiste fertig. Der Probelauf war auch schon, bei dem sich natürlich einzelne Probleme ergaben. Das Ganze bezieht sich nicht auf Weichholz sondern auf trockenes Hartholz bis 50cm Durchmesser.

Die Säge frisst sich fest und pumpt(Auf- Abbewegung während des Sägevorgangs. Der Spalter konnte die abgeschnittenen Stücke nicht spalten

Die Probleme mit dem Spalter habe ich mittlerweile gelöst. Durch den Umbau des Spaltkreuzes und einer anderen Spaltkreuzgeometrie funktioniert dieser jetzt ganz gut.

Die Säge bereitet mir nach wie vor Sorgen.

Bei der alten Version der Säge habe ich den Drehpunkt unter den Motor gelegt und die Zylinderanlenkung lag hinter dem Motor.
IMG_5351.jpg
IMG_5351.jpg (79.18 KiB) 3032-mal betrachtet


Die Säge habe ich jetzt umgebaut, dass der Drehpunkt der Sägeeinheit genau im Zentrum hinter dem Motor liegt und die Anlenkung unter dem Motor sich befindet.
Das Festfressen ist etwas besser geworden, aber das Pumpen besteht immer noch.
IMG_8930.jpg
IMG_8930.jpg (82.99 KiB) 3032-mal betrachtet


Wahrscheinlich liegt es an der Hydraulik. Natürlich habe ich euere Beiträge fast alle durchgelesen. Aber welche Version der Hydraulikpläne wurde von euch realisiert und was funktioniert in der Realität?
Vielleicht gibt es ja jemanden der mit seinem Hydraulikwissen Lust dazu hat mir unter die Arme zu greifen?

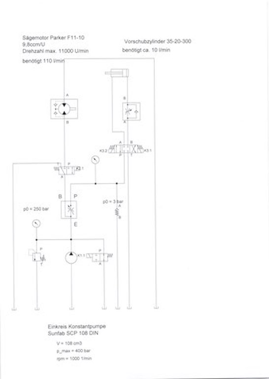
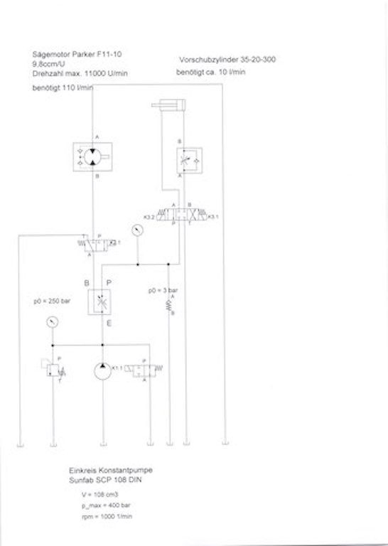
Mein Hydraulikplan der Säge sieht so aus....
Hydplan_1.jpg
Hydplan_1.jpg (23.63 KiB) 3032-mal betrachtet


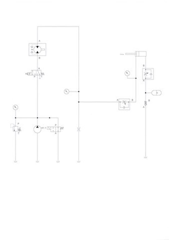
Ich habe noch zwei weitere Hydraulikpläne gezeichnet, als Vorschlag...

Dieser wurde schon mal als Word Datei einer Cranab Säge von euch veröffentlicht. Aus diesem habe ich nur einen Teil gezeichnet.
Hydplan_2.jpg
Hydplan_2.jpg (16.15 KiB) 3032-mal betrachtet


Und diesen Plan glaube ich hat Hackschnitzel in seiner Greifersäge eingebaut.
Hydplan_3.jpg
Hydplan_3.jpg (16.75 KiB) 3032-mal betrachtet


Meine Frage ist, was funktioniert und was nicht?

Grüße

Sepp

Ps. ich mache demnächst noch ein paar Bilder und stelle sie ein
737Sepp
 
Beiträge: 10
Registriert: Di Feb 04, 2014 9:34
Nach oben

  • Mit Zitat antworten

Re: VORSTELLUNG EIGENBAU SÄGESPALTAUTOMAT / FIREWOODPROCESSO

Beitragvon harley2001 » Di Nov 08, 2016 19:48

Hallo Sepp. Ich versuche mal, dir bei deinem Projekt zu helfen. Als erstes könntest du mal noch ein paar Angaben zu deinen verbauten Komponenten machen. Hast du eine manulelle Steuerung (Handhebelventil) verbaut oder elektrische Ventile (Joysticksteuerung) oder sogar SPS-Steuerung (ich glaube auf dem Bild Endschalter gesehen zu haben) ? Die Variante wie du sie konstruiert hast, ist zwar kostengünstiger und wird in Greifersägen aus Platzgründen verbaut, aber wenn sie nicht 100% korrekt geplant und ausgeführt ist, kommt es zu diesen Problemen, wie du sie geschildert hast. Ich an deiner Stelle hätte noch eine dritte, kleinere Pumpe für die Nebenfunktionen mit eingeplant und mit dieser unter anderem die Auf- und Abbewegung der Säge realisiert. So könntest du auf jeden Fall diese Pumpbewegungen beim Sägen ausschliessen. (Habe das bei meinem Eigenbau auch so umgesetzt bzw. die Firma S & Ü hat das bei unserem anderen SSA auch so verbaut. Wie hast du das bei dir mit der Einpumpenlösung umgesetzt? Hast du einen einstellbaren Mengenteiler verbaut? Vielleicht wäre ein kurzes Video, wo man dieses Problem erkennen kann und noch ein paar zusätzliche Bilder, auch hilfreich. Habe irgendwo noch einen Hydraulikplan, wie ihn Markus K. auch hier mal eingestellt hat. Dieser funktioniert auf jeden Fall.
PS: Den F11-10 Motor hätte ich nicht gewählt, sondern die größere Version mit 19 ccm.

So weit, so gut. Freue mich auf weitere Bilder deines Projekts. :prost: :wink:
Ich mag verdammen was du sagst, aber ich werde mein Leben dafür einsetzen, dass du es sagen darfst.
Voltaire
harley2001
 
Beiträge: 1905
Registriert: Sa Jan 26, 2013 22:48
Wohnort: Rheinland/Pfalz
Nach oben

  • Mit Zitat antworten

Re: VORSTELLUNG EIGENBAU SÄGESPALTAUTOMAT / FIREWOODPROCESSO

Beitragvon 737Sepp » Mi Nov 09, 2016 8:16

Servus Harley,

danke für die schnelle Antwort.

Ich habe den Hydraulikplan_1 für den Sägekreislauf eingebaut und verwende lauter elektrische Ventile mit Joystiksteuerung um alle Funktionen in der Testphase einzeln anfahren zu können. Den Volumenstrom habe ich mit einem einstellbaren Dreiwege-Ölstromteiler aufgeteilt. Prioritätsstrom geht zum Vorschulzylinder und der Differenzstrom (das was vom Gesamtstrom noch über bleibt) geht zum Sägemotor.
Sensoren sind zwar schon eingebaut aber noch nicht angeschlossen.
IMG_8881.jpg
IMG_8881.jpg (95.5 KiB) 2735-mal betrachtet


Wenn alles hydraulisch funktioniert geht es an die Programmierung der SPS Steuerung.

Ich habe noch schnell ein paar Bilder gemacht.
IMG_8931.jpg
IMG_8931.jpg (141.85 KiB) 2735-mal betrachtet

IMG_8932.jpg
IMG_8932.jpg (125.18 KiB) 2735-mal betrachtet

IMG_8933.jpg
IMG_8933.jpg (127.68 KiB) 2735-mal betrachtet

IMG_8934.jpg
IMG_8934.jpg (145.03 KiB) 2735-mal betrachtet

IMG_8935.jpg
IMG_8935.jpg (164.93 KiB) 2735-mal betrachtet


Grüße

Sepp
737Sepp
 
Beiträge: 10
Registriert: Di Feb 04, 2014 9:34
Nach oben

  • Mit Zitat antworten

Re: VORSTELLUNG EIGENBAU SÄGESPALTAUTOMAT / FIREWOODPROCESSO

Beitragvon harley2001 » Mi Nov 09, 2016 12:18

Hab ich das richtig verstanden. Du nimmst den Prioritätsstrom für Vorschub und die Restmenge für den Ölmotor. Wieso nicht umgekehrt?
Ich mag verdammen was du sagst, aber ich werde mein Leben dafür einsetzen, dass du es sagen darfst.
Voltaire
harley2001
 
Beiträge: 1905
Registriert: Sa Jan 26, 2013 22:48
Wohnort: Rheinland/Pfalz
Nach oben

  • Mit Zitat antworten

Re: VORSTELLUNG EIGENBAU SÄGESPALTAUTOMAT / FIREWOODPROCESSO

Beitragvon 737Sepp » Mi Nov 09, 2016 17:21

Das Ventil hat eine maximale Eingangsmenge von 150L/min und der Prioritätsstrom kann von 0 - max 90 L/min eingestellt werden. Wenn ich am Vorschub je nach Holzart 5 - 10 L/min abnehme habe ich an der Säge immer noch den Rest zur Verfügung.

Bei einem EingangsVolumen von z.B. 110 L/min bleiben dann noch 100 -105 L/min für die Säge
737Sepp
 
Beiträge: 10
Registriert: Di Feb 04, 2014 9:34
Nach oben

  • Mit Zitat antworten

Re: VORSTELLUNG EIGENBAU SÄGESPALTAUTOMAT / FIREWOODPROCESSO

Beitragvon harley2001 » Mi Nov 09, 2016 20:49

Ja, ok. In deinem ersten Post hast du geschrieben, dass die Spalterpumpe aufgeteilt ist. Egal, so wie du das jetzt schreibst, hast du ja einen eigenen Kreislauf für den Sägevorschub und nimmst nicht den Rücklauf vom Motor. Dann sollte das eigentlich funktionieren. Was hast du denn für Drücke am Vorschub und an der Säge?
Ich mag verdammen was du sagst, aber ich werde mein Leben dafür einsetzen, dass du es sagen darfst.
Voltaire
harley2001
 
Beiträge: 1905
Registriert: Sa Jan 26, 2013 22:48
Wohnort: Rheinland/Pfalz
Nach oben

  • Mit Zitat antworten

Re: VORSTELLUNG EIGENBAU SÄGESPALTAUTOMAT / FIREWOODPROCESSO

Beitragvon 737Sepp » Mi Nov 09, 2016 21:18

3 bar am Vorschubzylinder, geregelt durch das Rückschlagventil unterhalb des Wegeventils das den Vorschub steuert. Ich habe hier vor einiger Zeit einen Hydraulikplan einer Tapiosäge gesehen, die verwenden 2 bar am Vorschubzylinder.

Hydplan_1.jpg
Hydplan_1.jpg (23.63 KiB) 2354-mal betrachtet
737Sepp
 
Beiträge: 10
Registriert: Di Feb 04, 2014 9:34
Nach oben

  • Mit Zitat antworten

Re: VORSTELLUNG EIGENBAU SÄGESPALTAUTOMAT / FIREWOODPROCESSO

Beitragvon harley2001 » Mi Nov 09, 2016 21:41

Also ich muss mir den Laptop schon sehr dicht vor die Nase halten um etwas erkennen zu können :wink: . Wenn du das so angeschlossen hast, wie auf dem Plan zu sehen ist, wundert es mich nicht, dass es nicht funktioniert. Das Rückschlagventil vor dem 4/3 Wegeventil musst du ausbauen und ein Ventil mit drucklosem Umlauf in Neutralstellung verbauen (da Konstantpumpe). Anstelle des Rückschlagventils ein DBV verbauen ca. 20-50 bar Druck für den Vorschub. Oder du verbaust eins in Zwischenplattenbauweise direkt am Dreiwegeventil. Dann funktioniert deine Säge.
Ich mag verdammen was du sagst, aber ich werde mein Leben dafür einsetzen, dass du es sagen darfst.
Voltaire
harley2001
 
Beiträge: 1905
Registriert: Sa Jan 26, 2013 22:48
Wohnort: Rheinland/Pfalz
Nach oben

  • Mit Zitat antworten

Re: VORSTELLUNG EIGENBAU SÄGESPALTAUTOMAT / FIREWOODPROCESSO

Beitragvon 737Sepp » Mi Nov 09, 2016 22:42

Ich will ja deine Nase nicht zu sehr strapazieren :D deshalb nochmal den Plan, bloß größer

Hydplan_1_001.jpg


Der drucklose Umlauf in Ruhestellung ist rechts neben der Pumpe (Sitzventil). Beim einschalten der Säge schaltet das Sitzventil K1.1, das Ventil zur Säge K2.1 und das Wegeventil K3.1 zum Vorschubzylinder. Zur Säge begrenze ich den Druck durch das DBV auf 250 bar und zum Vorschulzylinder durch das Rückschlagventil auf 3 bar.

Diese 3 bar sind zu wenig...... ok, dann bastele ich das raus und ersetze es durch ein DBV 20-50bar. Ich besorge mir so ein Teil, baue es ein und melde mich wieder.

Merci :D
737Sepp
 
Beiträge: 10
Registriert: Di Feb 04, 2014 9:34
Nach oben

  • Mit Zitat antworten

Re: VORSTELLUNG EIGENBAU SÄGESPALTAUTOMAT / FIREWOODPROCESSO

Beitragvon 737Sepp » Do Nov 10, 2016 10:32

Nur mal so zum Testen bevor ich ein DBV kaufe, habe ich heute das Rückschlagventil zerlegt und eine starke Feder eingesetzt. Jetzt habe ich ca. 20 bar auf dem Vorschubzylinder und siehe da, es funktioniert :D .

Vielen herzlichen Dank für die Hilfe Harley.

Jetzt gehts an die SPS Steuerung und ein Förderband möchte ich noch dran bauen.

Grüße

Sepp
737Sepp
 
Beiträge: 10
Registriert: Di Feb 04, 2014 9:34
Nach oben

  • Mit Zitat antworten

Re: VORSTELLUNG EIGENBAU SÄGESPALTAUTOMAT / FIREWOODPROCESSO

Beitragvon harley2001 » Do Nov 10, 2016 22:50

Freut mich ,dass es jetzt funzt, Sepp. Wenn das Ding fertig ist, bitte mehr Bilder und vielleicht ein Video und natürlich in mein Thema einstellen. :wink:
Ich mag verdammen was du sagst, aber ich werde mein Leben dafür einsetzen, dass du es sagen darfst.
Voltaire
harley2001
 
Beiträge: 1905
Registriert: Sa Jan 26, 2013 22:48
Wohnort: Rheinland/Pfalz
Nach oben

  • Mit Zitat antworten

Re: VORSTELLUNG EIGENBAU SÄGESPALTAUTOMAT / FIREWOODPROCESSO

Beitragvon ihc_744 » Fr Nov 11, 2016 19:31

Hallo, das ist zwar schön, dass es jetzt funktioniert, aber fährst du mit deinem Sägemotor auch im oberen Druckbereich, also das deine Säge voll ausgelastet ist oder hat sie während des Sägens nur 100bar? Du musst mit deinem DB den genauen Zylinderdruck einstellen um im optimalen Druckbereich zu fahren.

Meiner Meinung nach benötigst du auch diesen Mengenteiler und das DB nicht, wenn du ein Druckregelventil einbaust. Damit stellst du deinen Druck ein, der am Zylinder anliegen soll. Dannach noch eine kleine Drossel für die maximale Geschwindigkeit des Hy.Zylinders einzustellen und dann funktioniert das! Dabei geht dir auch kein Öl über das DB flöten was ja ein Energieverlust darstellt..
ihc_744
 
Beiträge: 136
Registriert: Mo Jul 22, 2013 8:06
Wohnort: Saarland
Nach oben

  • Mit Zitat antworten

Re: VORSTELLUNG EIGENBAU SÄGESPALTAUTOMAT / FIREWOODPROCESSO

Beitragvon harley2001 » Fr Nov 11, 2016 20:18

Er braucht doch den Mengenteiler für den dritten Kreislauf. Um im optimalen Druckbereich zu fahren, braucht er eine Verstellpumpe. Es liegt soviel Druck am Motor an, wie dieser eben benötigt. Ich denke, S&Ü als Maschinenbau und Hydrauliktechnikfirma wissen schon, was sie verbauen. :wink:
Ich mag verdammen was du sagst, aber ich werde mein Leben dafür einsetzen, dass du es sagen darfst.
Voltaire
harley2001
 
Beiträge: 1905
Registriert: Sa Jan 26, 2013 22:48
Wohnort: Rheinland/Pfalz
Nach oben

VorherigeNächste

Antwort erstellen
140 Beiträge • Seite 9 von 10 • 1 ... 6, 7, 8, 9, 10

Zurück zu Forstwirtschaft

Wer ist online?

Mitglieder: Bing [Bot], flobo80, Google [Bot]

  • Foren-Übersicht
  • Das Team • Impressum • Alle Cookies des Boards löschen • Alle Zeiten sind UTC + 1 Stunde
Powered by phpBB® Forum Software © phpBB Forum Group • Deutsche Übersetzung durch phpBB.de
phpBB SEO Design created by stylerbb.net & kodeki