geha0861 hat geschrieben:Hi Sebastian,
und @katze2
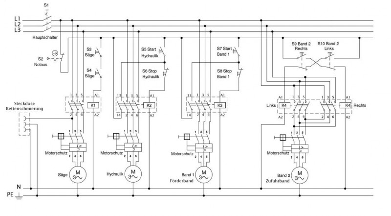
bist wohl kein gelernter Elektriker(Maschinenbau)? die kontakte ganz Links und ganz rechts von deinem Förderband 1 (VOR/Zurück) sollten/müssen doch die Spulen seindie dann deine Schützkontakte bei betätigen der taster zum klacken/anziehen bringen,das dein Strom/Spannung auch am Motor ankommt und zum laufen bringen sollte !! , somit dürfte kein Kurzschluss/Sicherung fliegen passieren ,
du solltest dich ein bischen mehr informieren oder den schaltplan von einem profi machen ,verkabeln und anschliesen lassen , denn es fehlt noch der Schutzleiter und ein FI , bei 220V/380V Betrieb !!!
nur zu DEINER/eurer Sicherheit , VDE hin oder her ! gutgemeinter Rat
![]()
Das mit dem FI ist nicht unbedingt nötig. Normal sind ja die Drehstromsteckdosen im Haus oder Arbeitsplatz durch einen passenden RCD (FI ist nicht mehr aktuell) abgesichert.
Für den 7,5 kW Motor würde ich auf jedenfall einen Sterndreieck Anlauf mit einplanen. Der Motor wird beim Anlaufen einen Strom von 80 - 120 A ziehen. Da ist ein einfaches anschalten nicht mehr möglicht.
Es gibt auch die Möglichkeit einen Sanftanlauf zu verbauen...

die dann deine Schützkontakte bei betätigen der taster zum klacken/anziehen bringen,das dein Strom/Spannung auch am Motor ankommt und zum laufen bringen sollte !! , somit dürfte kein Kurzschluss/Sicherung fliegen passieren ,
du solltest dich ein bischen mehr informieren oder den schaltplan von einem profi machen ,verkabeln und anschliesen lassen , denn es fehlt noch der



