ruthar_m hat geschrieben:Hallo
Ich meinte den Abstand zwischen den Greifern; Also um wieviel die beiden aneinander vorbeifahren.
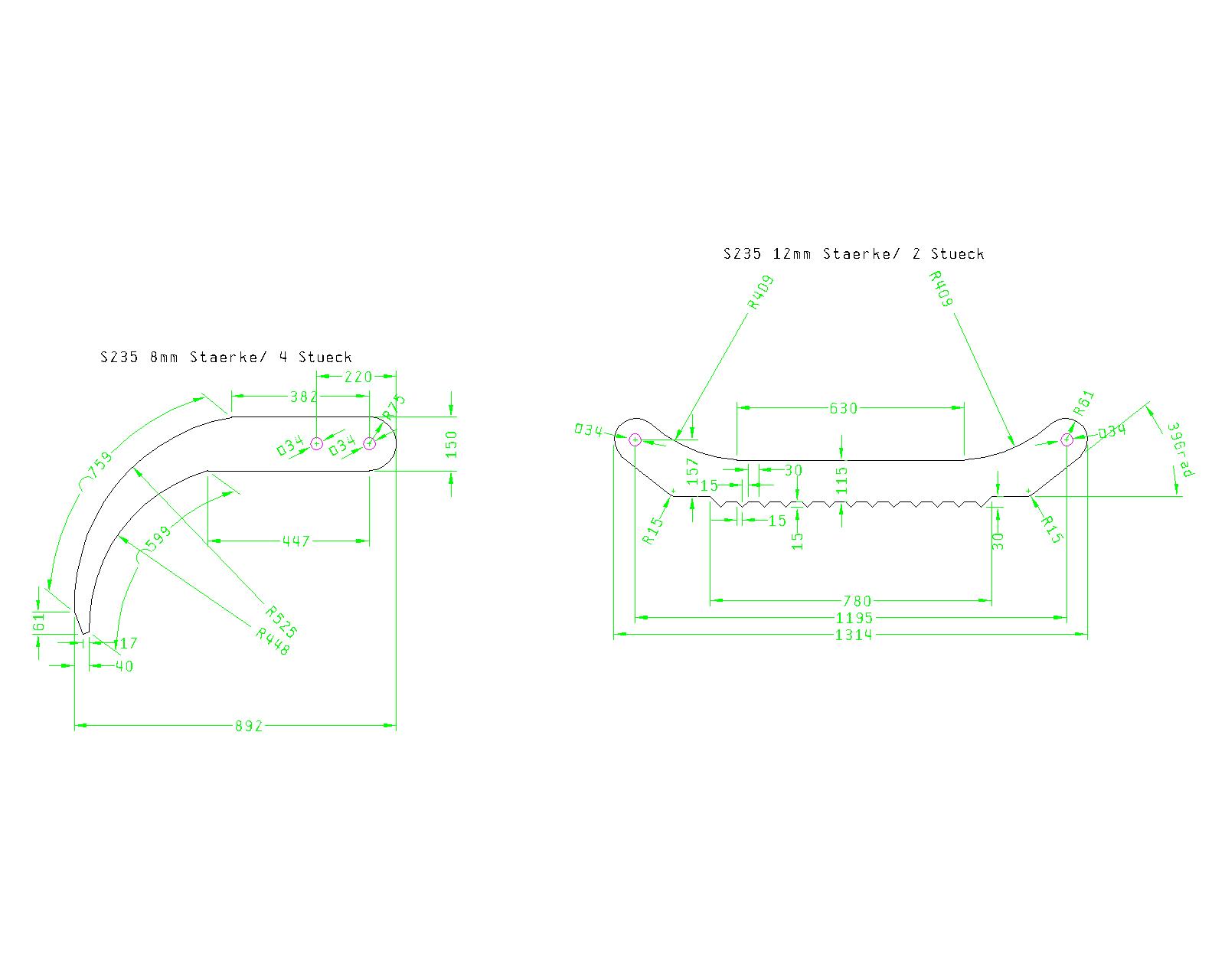
Die Überlappung bei meiner Ausführung beträgt 30cm
mfg
Also ich traue der Geometrie irgendwie auch nicht
Würde den Mittelsteg kürzer machen und die beiden Schenkel im offenen Zustand weiter öffnen.
Mach doch mal ein Bild vom geschloßenen Greifer
