Moin ! Ich bin Neu, ich bins, Paul, 30 Jahre, Schlosser, Bauer und Studierter ...
ich habe mit gerade mal euren Beitrag hier zu gemüte geführt, schön das das interesse an Grobhackern da ist ! ich selber bin Landwirt im Nebenerwerb, und muss wie alle anderen auch meine Knicks pflegen !
Das Holz davon würde ich in Zukunft allerdings gerne in meinen Wasserführenden Küchenofen stecken anstatt es ungenutzt zu lassen ...
Hauptberuflich bin ich allerdings Kontrukteur im Maschinenbau und habe mir schon so meine Gedaken zum Eigenbau gemacht !
Anforderungen waren:
So einfach wie Möglich
Viele Kaufteile
Gut zu reparieren, wenig Spanende Bearbeitung !
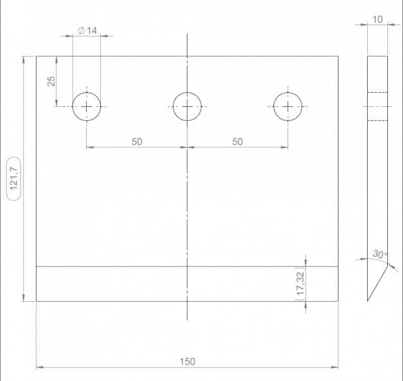
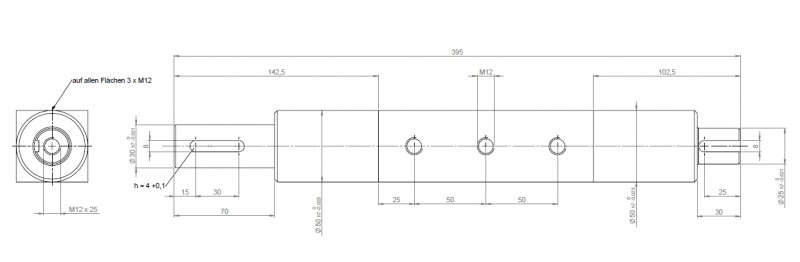
Herausgekommen ist ein 2 welliger Grobhäcksler wie ja bekannt, allerdings mit Wellen aus 4 Kant Material. an die Flächen werden die Messer (wahlweise 2 oder 4 pro Welle) einfach angeschraubt. Die Messer Selber lasse ich aus 10mm dicken Hardox 500 auslasern und fräse die Schneide auf einer Vorrichtung an meiner Fräse.
Die Lagerung der Wellen sind einfache 50er (ja 50 mm ist dick) Flanschlager
Die Wangen sind auch Laserteile aus 15mm Stahl und die Streben Dazwischen sind einfacher 30er Rundstahl mit M16 Gewindebohrungen.
Das einzig richtig "teure" an dem Teil sind die beiden Stinräder Modul 4 Z= 50 die leider mit fast 100 euro das stück zu Buche schlagen.
Antrieb übernimmt nacher ein Kubota Kleinschlepper oder einer meiner anderen Schlepper mit 540er Welle im Standgas ... das sind dann gut 200-250 min-1 das reicht !
Natürlich geht auch ein E Motor mit Getriebe oder was anderes ...
Hier sind noch ein paar Bilder
Vieleicht ja für den ein oder anderen Tüftler hier Interessant !
Freue mich auch über Diskussion und Verbesserung !
Lieben Gruß aus Schleswig Holstein,
Paul
