Hier fällt mir trotzdem noch was ein. Leitungslänge ist natürlich nicht egal ,aber bei einem Meter weniger relevant. 20s für Vorlauf und 28L für Rücklauf, würde ich empfehlen.
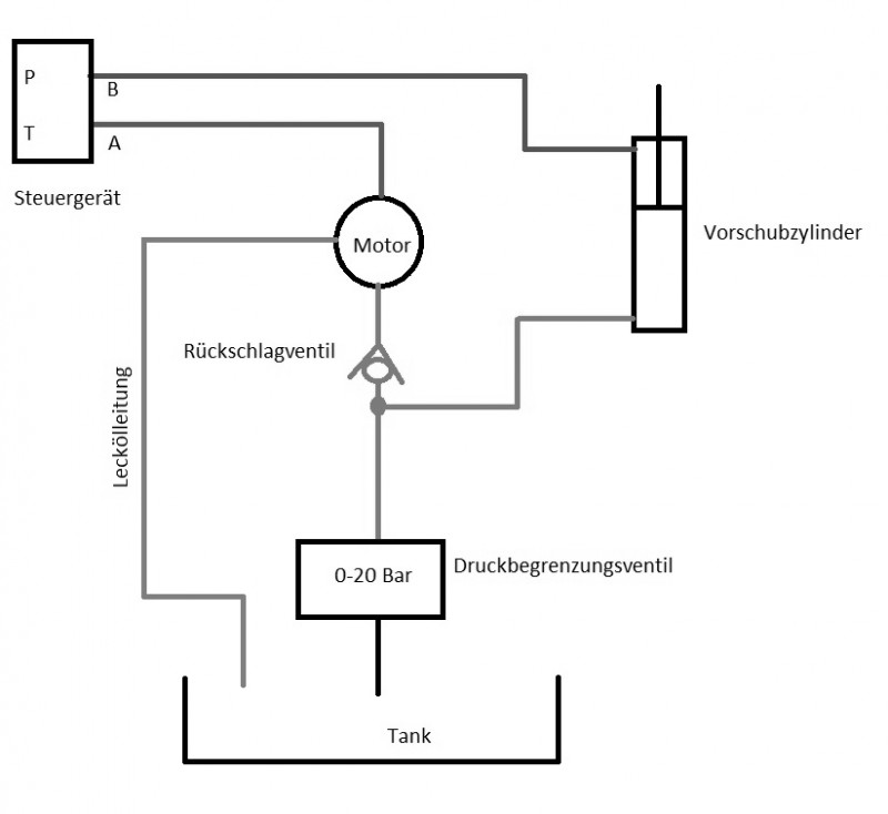
Mehr als 200 bar brauchst du am Sägemotor nicht. Der Motor sollte stehen bleiben, bevor die Kette reisst.
Senkst du die Säge hydraulisch ab, wenn ja, auch über das 5-fach Ventil? Dann kanns natürlich Probleme geben, wenn du 2 Hebel gleichzeitig betätigst. Besser wären 2 Kreise. Messe mal den Druck während des Sägevorgangs.





