Buche hat geschrieben:Eckart hat geschrieben:Ein (HSS) Bohrer ist aus Hochleistungsschnellschnittstahl gefertigt.
Und ich dachte immer HSS ist die Abkürzung für einen Universalbohrer
HSS = Bohrer für Holz Stein Stahl

kleiner Witz am Rande
Aktuelle Zeit: So Feb 15, 2026 16:27
Moderator: Falke
Buche hat geschrieben:Eckart hat geschrieben:Ein (HSS) Bohrer ist aus Hochleistungsschnellschnittstahl gefertigt.

Rawkins hat geschrieben:Buche hat geschrieben:Eckart hat geschrieben:Ein (HSS) Bohrer ist aus Hochleistungsschnellschnittstahl gefertigt.
Und ich dachte immer HSS ist die Abkürzung für einen Universalbohrer![]()
![]()
HSS = Bohrer für Holz Stein Stahl![]()
![]()
![]()
kleiner Witz am Rande
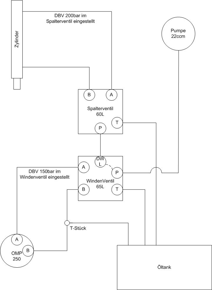
dosta hat geschrieben:Mal vom Schluckvolumen abgesehen, wie ist das mit dem Betriebsdruck - wenn ich den günstigeren nehme muss ich ja das DBV am Windenventil herunterdrehen.
Hat das Nachteile oder ist das egal für die Funktion gegenüber dem mit dem hohen Druck?
Zweite Frage:
Wie ist das denn mit dem Seilauszug gelöst.
Handventil in Mittelstellung sind ja normalerweise A und B gesperrt. Motor dreht nicht.
Wenn ich aber auf A den Seileinzug lege (rechtslauf) möchte aber nicht auf B einen automatischen Seilauswurf haben.
Möchte das Seil von Hand drucklos ausziehen.
Wie löst man den so was?
dosta hat geschrieben:hab hier mal einen Plan gemacht ist das so richtig?
Weil ich denke das wenn Hebel auf:
A dreht der Motor und fließt über das T-Stück in den Tank. Ja, das ist richtig.
M beide Schieber sind zu, die Last hängt in der Luft und der Motor dreht sich da dass Öl ja über das T-Stück weglaufen kann und der klotz fällt zu Boden. Nein, das stimmt nicht. Die Last möchte den Motor in die entgegengesetzte Richtung drehen. Das geht aber nicht, da der Anschluß "A" im Ventil gesperrt ist. Stelle dir vergleichsweise einen Hy-Zylinder vor, der bodenseitig an Anschluß "A" liegt. Stangenseitig ist der am Tank angeschlossen. Damit kannst du eine Last heben und in Mittelstellung halten. Erst, wenn du auf "B" schaltest, sinkt die Last ab.
B Öl wird direkt in den Tank gepumpt (gerinster Widerstand) doch ein geringer anteil kommt zum Motor und dreht den Motor und das Seil wickelt sich ab. Könnte dir natürlich passieren. Könntest aber auch das T-Stück weglassen und die Leitung von Anschluß "B" direkt in den Tank legen. Ebenso die 2. Leitung vom Hy-Motor. Somit wäre der Tank das T-Stück. Wichtig: damit der Motor beim Seilabwickeln Öl nachsaugen kann, muß diese Leitung auf jeden Fall unter dem Ölspiegel im Tank münden.
Habe ich das richtig gesehen. Das hiesse ja das ich auf M und B eine frei laufende Seilwinde hätte. Das hast du falsch gesehen.
Folgenden Motor und Ventil mit DWL habe ich gekauft:
Ventil:
1 Sektion-Monoblockventil 65l/min - 350 bar
4/3-Mitte: A+B geschlossen + druckloser Umlauf - federzentriert
Anschlussgewinde: P=1/2" - A+B= 1/2" - T= 1/2"
incl. 1 x Handhebel
ohne Hochdruckweiterleitung (wenn Sie Druckweiterleitung benötigen bitte bei Bestellung angeben) Aufpreis 10,-- Euro!
Technische Merkmale:
Nenndurchfluß 65 l/min
Max. zul. Druck 350 bar
Anschluß = 1/2"
DBV auf 180 bar eingestellt
geschützte Handhebelbetätigung
zur Ansteuerung von einem doppeltwirkenden Zylinder
passt das?
Markus K. hat geschrieben:Der maximale Systemdruck richtet sich nach dem DBV mit niedrigster Einstellung. Das Datenblatt des Motors gibt einen Spitzendruck von 175 Bar an. Auf den Wert stellst du das DBV im Windenventil allerhöchstens. Damit kastrierst du aber auch den max. Spaltdruck. Abhilfe: DBV im Windenventil ganz rein drehen und ein externes DBV zwischen "A" und dem Hy-Motor. Damit ist dieser gesichert. Der Rest ist über das DBV im Spalterventil gesichert. Das ganz reingedrehte DBV wird nicht mehr ansprechen, vorher geht das im Spalterventil auf. Das Winden-DBV ist nur wirksam im Windenbetrieb und beeinflusst den Spaltzylinder nicht.
Mitglieder: Forstjunior, Google [Bot], Google Adsense [Bot], Piochio